SKF3320DMA轴承详细参数

发布时间:2026-04-15
角接触球轴承, 双列, 无密封件, 两部份内圈
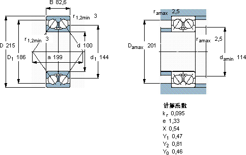
主要数据尺寸 基本负荷额定值 疲劳负荷限值 额定速度 体积 型号
动态 静态 参照速度 限制速度
d D B C C0 Pu
mm kN kN r/min kg -
10021582,626030510,42600280015,03320 DMA

SKF3320DMA角接触球轴承供应商

八零动力专业销售3320DMA角接触球轴承,库存SKF3320DMA大量现货,与SKF合作,咨询热线:022-58519723业务咨询
SKF3320DMA始终顺滑如初,质量上乘的轴承,是提升机械设备性能的关键因素品质卓越的它,为机械设备的稳定、高效运行提供了支持以精湛工艺铸就精湛的工艺打造出的轴承,精度和稳定性都令人称赞这轴承的精度控制令人佩服,为设备的精准运行提供了保障,八零动力SKF角接触球轴承品种全,价格优,质量有保证!

用户关注最多的SKF轴承型号

SKF21312EK+AHX312* SKF23288CACK/W33 SKF31321 SKF71916ACE/HCP4A SKF7211BECBP SKF7220BEP SKFBT4-8036G/HA1 SKFCR3683 SKFCR40X50X8HMSA10V SKFCR65x92x11.13CRWH1R SKFFYJ50KF SKFKMFE28L SKFNN49/1320FB/W33 SKFNUP413 SKFW619/4-2Z

3320DMA角接触球轴承近似的SKF轴承型号

SKF3320 SKF3320DMA SKF3320A SKF3320A SKF3321

用户关注最多的轴承狗热门型号

SNR  7332AC FAG  BND2240-H-W-Y-AL-S FAG  SNV120-L + 21311-E1-K + H311 + FSV611 FAG  30305-A SKF  239/530CA/W33 MRC  6310-2RS SKF  PCM120125120E KOYO  419/414 KOYO  22260CAC/W33 FAG  ZRB42X82-QP NSK  5210 INA  PHE40 INA  HK0608 NSK  29434 ZKL  N413

版权所有©2009-2015 轴承狗zcgou.com ICP备案:津ICP备14004550号-13