SKF33113R/Q轴承详细参数

发布时间:2026-04-15
圆锥滚子轴承, 单列, 公制轴承, 外圈有挡边
主要数据尺寸 基本负荷额定值 疲劳负荷限值 额定速度 体积 型号
动态 静态 参照速度 限制速度
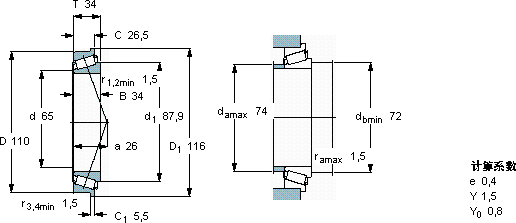
d D T C C0 Pu
mm kN kN r/min kg -
651103414220824430056001,3033113 R/Q

SKF33113R/Q圆锥滚子轴承供应商

八零动力专业销售33113R/Q圆锥滚子轴承,库存SKF33113R/Q大量现货,与SKF合作,咨询热线:022-58519723业务咨询
SKF33113R/Q它的润滑技术,让摩擦降至最低 它的每一次转动,都是对效率的极致追求 它在农业机械中的应用,展现了它的耐用性 它的低摩擦设计,减少了能量损耗 畅享稳定顺滑的旋转之旅,优秀的设计让这款轴承在运行时更加高效节能,八零动力SKF圆锥滚子轴承品种全,价格优,质量有保证!

用户关注最多的SKF轴承型号

SKF24020-2CS2/VT143* SKF24144CC/W33 SKF320/22X SKFC3060M* SKFCR41x55x8CRW1R SKFHE320 SKFKD2-053 SKFN307ECM* SKFNA4872 SKFNJ238E SKFNU1026 SKFS7020CD/HCP4A SKFSAW23532X5.3/8 SKFSNW10x1.3/4 SKFW61700

33113R/Q圆锥滚子轴承近似的SKF轴承型号

SKF33113/Q SKF33113R/Q SKF33113R/Q SKF33113 SKF331138AG SKF33113/Q SKF331133A SKF33113R/Q SKF33113/Q

用户关注最多的轴承狗热门型号

NACHI  6807-2NKE FAG  SNV100-L + 1211-K-TVH-C3 + H211X114 + FSV511X114 SKF  618/1120MA RHP  NU330 NSK  NN3014K NACHI  53176/53375 FAG  HCB71903-C-2RSD-T-P4S FAG  SNV240-L + 21322-E1-K-TVPB + H322X400 + TSV522X400 TIMKEN  21317VCSM SKF  S7013ACD/HCP4A FAG  22318-E1-K-T41A + H2318 NTN  23226BK IKO  NAX2530Z IKO  CF24-1VBUUR IKO  MAGL5

版权所有©2009-2015 轴承狗zcgou.com ICP备案:津ICP备14004550号-13