
SKF3310DNRCBM轴承详细参数
发布时间:2026-05-30
| | | | | | | | | | |
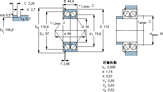
| 角接触球轴承, 双列, 无密封件, 于外圈的带止动槽, 两部份内圈 |
 |
| 主要数据尺寸 | 基本负荷额定值 | 疲劳负荷限值 | 额定速度 | 体积 | 型号 |
| | 动态 | 静态 | | 参照速度 | 限制速度 |
| d | D | B | C | C0 | Pu | |
 |
| mm | kN | kN | r/min | kg | - |
 |
| 50 | 110 | 44,4 | 81,9 | 69,5 | 3 | 5300 | 5600 | 1,95 | 3310 DNRCBM |
SKF3310DNRCBM角接触球轴承供应商
- 八零动力专业销售3310DNRCBM角接触球轴承,库存SKF3310DNRCBM大量现货,与SKF合作,咨询热线:022-58519723

- SKF3310DNRCBM它的设计巧妙,在保证性能的同时,还兼顾了安装的便捷性稳定旋转的核心力量它的多样化应用,展现了它的无限可能 设计合理、性能优良的它,是机械设备实现高效运行的重要保障它的品质卓越,是提升机械设备整体性能的关键所在转动世界的精密之选,,八零动力SKF角接触球轴承品种全,价格优,质量有保证!
用户关注最多的SKF轴承型号
SKF22213EK+AH313G*
SKF239/600CA/W33
SKF2x7314BECBPH*
SKF6210-2RS1*
SKF6215-RS1*
SKF7034C
SKF7238C/DF
SKFBC4-8005/HA4
SKFC31/670KMB+OH31/670HE*
SKFCR17X40X10HMSA10RG
SKFCR36x54x8CRW1R
SKFFYRP2.3/16H-3
SKFM802048/011/QCL7C
SKFNJ206ECML*
SKFNU2328E