SKF32309BRJ2/QCL7C轴承详细参数

发布时间:2026-04-14
圆锥滚子轴承, 单列, 公制轴承, 外圈有挡边
主要数据尺寸 基本负荷额定值 疲劳负荷限值 额定速度 体积 型号
动态 静态 参照速度 限制速度
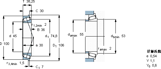
d D T C C0 Pu
mm kN kN r/min kg -
4510038,2513417620480067001,5032309 BRJ2/QCL7C

SKF32309BRJ2/QCL7C圆锥滚子轴承供应商

八零动力专业销售32309BRJ2/QCL7C圆锥滚子轴承,库存SKF32309BRJ2/QCL7C大量现货,与SKF合作,咨询热线:022-58519723业务咨询
SKF32309BRJ2/QCL7C它机械世界的心脏,默默支撑着无数设备的运转 它的圆度误差几乎可以忽略不计 成就非凡转动体验让您的设备一顺到底,每一次旋转,都是品质的见证,它的耐用性,赢得了无数用户的信赖 轴承的选材优质,确保了其在各种环境下都能稳定工作,八零动力SKF圆锥滚子轴承品种全,价格优,质量有保证!

用户关注最多的SKF轴承型号

SKF1316 SKF2216EKTN9 SKF22226CC/W33 SKF6008-2RS1* SKF61960MA SKFBA3 SKFBC4B319991/HA4 SKFCR30X46X7HMSA10V SKFGE35ES SKFK18x24x13 SKFNK35/20TN SKFNU328ECM SKFRN-1.5x11.8BF/G2 SKFSNW3036x6.1/2 SKFUCP212

32309BRJ2/QCL7C圆锥滚子轴承近似的SKF轴承型号

SKF32309BRJ2/QCL7C SKF32309J2/Q SKF32309BRJ2/QCL7C SKF32309J2/Q SKF32309 SKF32309BJ2/QCL7C SKF32309BJ2/QCL7C SKF32309BRJ2/QCL7C SKF32309J2/Q

用户关注最多的轴承狗热门型号

GMN  7204C/DB SKF  BB1B362809 NTN  6020-Z SKF  241/630ECA/W33 国产  6316-Z NACHI  1218K SKF  S7020DB/P7 INA  GE20-FO-2RS SKF  71944ACD/P4A 国产  6206-Z/Z2 NTN  23032CC/W33 KOYO  758/752 TIMKEN  HM803145/HM803110 LYC  6206 E-2RZ/Z2 SKF  CR99468

版权所有©2009-2015 轴承狗zcgou.com ICP备案:津ICP备14004550号-13