SKF319307C轴承详细参数

发布时间:2026-04-15
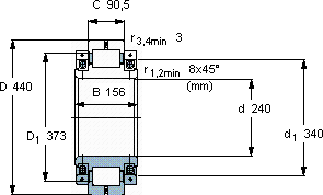
圆柱滚子轴承, 剖分式单列
主要数据尺寸 基本负荷额定值 疲劳负荷限值 径向内部游隙 体积 型号
动态 静态
d D B C C C0 Pu 最小 最大
mm kN kN mm kg -
24044015690,5132020401930,1050,165105319307 C

SKF319307C圆柱滚子轴承供应商

八零动力专业销售319307C圆柱滚子轴承,库存SKF319307C大量现货,与SKF合作,咨询热线:022-58519723业务咨询
SKF319307C品质卓越的它,在各种工况下都能展现出优异的性能为设备的精确运行提供了保障,该轴承的精度控制精准,为设备的精确运行提供了保障它的轻量化设计,减少了材料的使用 它的抗冲击能力,让它经久不衰 转动世界的精密之选,质量无可比拟的轴承,在行业内树立了良好的品质标杆,八零动力SKF圆柱滚子轴承品种全,价格优,质量有保证!

用户关注最多的SKF轴承型号

SKF16004/HR11TN SKF25580/25523/Q SKF3304A* SKF891/500M SKF7232AC SKFC2219K* SKFCR110x130x12CRW1V SKFCR29262 SKFCR440x480x20HDS1V SKFCR9243 SKFFY1.7/16RM SKFSDAF23092 SKFSYH2.7/16TF SKFSYR2.3/16 SKFTVN310WA

319307C圆柱滚子轴承近似的SKF轴承型号

SKF319307A SKF319307C SKF319307B SKF319307B SKF319313

用户关注最多的轴承狗热门型号

TIMKEN  TTU-65-12 MRC  6313-RS NSK  6801DD SKF  RN-3x21.8BF/G2 NSK  LM1616 KOYO  6208-Z INA  LR206-2RS SKF  GE20ES SKF  51109V/HR11T1 KOYO  7011AC FAG  BND2240-Z-T-AF-S NACHI  NUP410 NSK  7922A5TYNP5 SKF  319307A IKO  KT384417

版权所有©2009-2015 轴承狗zcgou.com ICP备案:津ICP备14004550号-13