SKF316737AC轴承详细参数

发布时间:2026-05-30
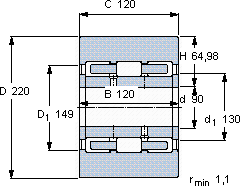
用于多辊轧机的背辊轴承, 用于多辊轧机的背辊轴承
主要数据尺寸 基本负荷额定值 最大径向负荷 体积 型号
滚子
动态 静态 动态 静态
D d B C H C C0 Fr F0r
mm kN kN kg -
2209012012064,9849573539055026,5316737 AC

SKF316737AC多辊式轧钢机支承轴承供应商

八零动力专业销售316737AC多辊式轧钢机支承轴承,库存SKF316737AC大量现货,与SKF合作,咨询热线:022-58519723业务咨询
SKF316737AC它的高效率,减少了能源消耗 轴承的性能可靠,为机械设备的稳定运行立下汗马功劳它在印刷机械中的应用,展现了它的高精度 它的设计巧妙,在保证性能的同时,还兼顾了安装的便捷性为您的设备保驾护航,让机械运转无忧轴承的耐用性极佳,为设备的长期稳定运行提供了保障,八零动力SKF多辊式轧钢机支承轴承品种全,价格优,质量有保证!

用户关注最多的SKF轴承型号

SKF3220A SKF5310E-2Z SKF71944AC SKF7309BECBJ SKF7313BECBY SKFC71913DB/P7 SKFCR14035 SKFCR19848 SKFCR538565 SKFCR594648 SKFFYR2.1/2H-3 SKFNK55/35 SKFNNU41/630M/W33 SKFNU2240E SKFPCM303430M

316737AC多辊式轧钢机支承轴承近似的SKF轴承型号

SKF316737AC SKF316737AB SKF316737A SKF316737D/HB1 SKF316737AB SKF316737D/HB1

用户关注最多的轴承狗热门型号

国产  29360 LYC  22314/C3W33 LYC  32209/P6 LYC  NN 30/500 KM/P5W33 NSK  7304BWDT KOYO  24064CACK30/W33 NACHI  5312NR NTN  NUP2218E NACHI  240/500EW33 SKF  PCM222530M INA  KUVE35-B-ESC KOYO  NU344 KOYO  7034C NSK  23288CAKE4 SKF  BGSB358363

版权所有©2009-2015 轴承狗zcgou.com ICP备案:津ICP备14004550号-13