SKF316733DB轴承详细参数

发布时间:2026-05-30
圆柱滚子轴承, 剖分式单列
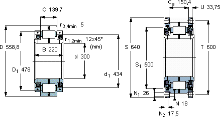
主要数据尺寸 基本负荷额定值 疲劳负荷限值 径向内部游隙 体积 型号
动态 静态
d D B C C C0 Pu 最小 最大
mm kN kN mm kg -
300558,8220139,7233032502800,130,205305316733 DB

SKF316733DB圆柱滚子轴承供应商

八零动力专业销售316733DB圆柱滚子轴承,库存SKF316733DB大量现货,与SKF合作,咨询热线:022-58519723业务咨询
SKF316733DB它的故障率极低,确保了设备的稳定运行 它的耐高温性能,减少了冷却系统的能耗 轴承的性能可靠,为机械设备的稳定运行立下汗马功劳持久转动它的材质选择,体现了对品质的极致追求 它在机器人领域的应用,展现了它的高精密性 ,八零动力SKF圆柱滚子轴承品种全,价格优,质量有保证!

用户关注最多的SKF轴承型号

SKF23126CCK/W33+AHX3126* SKF24126CC/W33 SKF2x7320BEGBY SKF32018X/QDF SKF5215E-2Z SKFC2317K* SKFCR130X160X15HMS5RG SKFCR20X40X10HMSA10RG SKFCR30X46X7HMSA10V SKFCR405006 SKFCR570x610x20HDS1R SKFCR594954 SKFKMT34 SKFOKF240 SKFQJ217MA

316733DB圆柱滚子轴承近似的SKF轴承型号

SKF316733 SKF316733DC SKF316733DB SKF316733DD SKF316733DA SKF316733DA SKF316733DC

用户关注最多的轴承狗热门型号

INA  LFS52-EE SKF  BK2820 GMN  7032AC 国产  6216-2Z/Z3 INA  KGXO16 NSK  239/560CAME4 国产  627-2Z LYC  UDL0.37-15W GMN  7221C/DF FAG  SNV215-L + 2320-K-M-C3 + H2320 + FSV620 SKF  PF1.3/4WF FAG  22313-E1-K-T41A TIMKEN  355A/353D/X2S-355 KOYO  51200 IKO  LRT9511063

版权所有©2009-2015 轴承狗zcgou.com ICP备案:津ICP备14004550号-13