SKF316388AV轴承详细参数

发布时间:2026-05-30
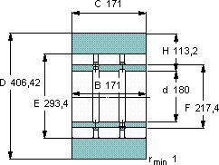
用于多辊轧机的背辊轴承, 用于多辊轧机的背辊轴承
主要数据尺寸 基本负荷额定值 最大径向负荷 体积 型号
滚子
动态 静态 动态 静态
D d B C H C C0 Fr F0r
mm kN kN kg -
406,42180171171113,21510265010601500130316388 AV

SKF316388AV多辊式轧钢机支承轴承供应商

八零动力专业销售316388AV多辊式轧钢机支承轴承,库存SKF316388AV大量现货,与SKF合作,咨询热线:022-58519723业务咨询
SKF316388AV这款轴承的运转十分平稳,几乎感受不到任何震动它在家用电器中的应用,让生活更加便捷 其设计和制造都达到了极高的水准,是一款不可多得的轴承优秀的设计让这款轴承在运行时更加高效节能是您机械世界里的不败功臣,它的加工精度,确保了机械运转的稳定性 ,八零动力SKF多辊式轧钢机支承轴承品种全,价格优,质量有保证!

用户关注最多的SKF轴承型号

SKF23052CCK/W33+AOH3052* SKF51172 SKF71911FB/P7 SKF71916ACE/HCP4A SKF7204CD/P4A SKFC2220K+H320E* SKFCR17X30X7HMS5RG SKFCR33712 SKFCR36X50X7HMS5V SKFCR416503 SKFCR7567 SKFCR99352 SKFK-T921 SKFNU2304ECP SKFQJ228

316388AV多辊式轧钢机支承轴承近似的SKF轴承型号

SKF316388C SKF316388AV SKF316388AB SKF316388AB SKF316388C

用户关注最多的轴承狗热门型号

STEYR  NJ2220E TIMKEN  783/773D+X3S-783 FAG  B71916-C-T-P4S INA  ZKLDF200 TIMKEN  M241547/M241510 TIMKEN  K47X52X15FH SKF  BT4-8067G/HA1VA902 FAG  BND3284-H-W-T-BL-S SKF  GEH100ES-2LS TIMKEN  GRA015RRB TIMKEN  L225849/L225812D+L225849XA FAG  SNV170-L + 1316-K-M-C3 + H316X214 + TSV616X214 STEYR  54216U LYC  NN 4964 K/W33 MRC  7318AC/DT

版权所有©2009-2015 轴承狗zcgou.com ICP备案:津ICP备14004550号-13