SKF316352CB轴承详细参数

发布时间:2026-05-30
圆柱滚子轴承, 剖分式单列
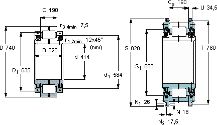
主要数据尺寸 基本负荷额定值 疲劳负荷限值 径向内部游隙 体积 型号
动态 静态
d D B C C C0 Pu 最小 最大
mm kN kN mm kg -
414740320190402067005200,210,31700316352 CB

SKF316352CB圆柱滚子轴承供应商

八零动力专业销售316352CB圆柱滚子轴承,库存SKF316352CB大量现货,与SKF合作,咨询热线:022-58519723业务咨询
SKF316352CB它的故障率极低,确保了设备的稳定运行 这款轴承的运转平稳,几乎听不到任何噪音,令人惊艳稳定的传奇它的质量可靠,是众多机械设备制造商的首选配件它的模块化设计,让安装和更换变得轻松便捷 它的抗氧化性能,延长了它的使用寿命 ,八零动力SKF圆柱滚子轴承品种全,价格优,质量有保证!

用户关注最多的SKF轴承型号

SKF23260CCK/W33+AOH3260G* SKF353164 SKF4306ATN9 SKF61902-2RS1 SKFC39/1060KMB+OH39/1060HE* SKFCR145X175X14CRS1R SKFCR3680 SKFGEC750TXA-2RS SKFNKIS60 SKFNNCF4944CV SKFPCM182025M SKFSYKC35NTH SKFSYNT50FW SKFWS81164 SKFZW32x40

316352CB圆柱滚子轴承近似的SKF轴承型号

SKF316352CC SKF316352CA SKF316352CB SKF316352CA SKF316352CC

用户关注最多的轴承狗热门型号

SKF  N600 SNR  6209-RS SKF  E2.22210K NTN  UKFU313+H2313 NSK  NU314 国产  NFP6/723.795Q4 SKF  MB8C NTN  52209 TORRINGTON  22260CACK/W33 SKF  C6913V* TIMKEN  368A/363D NSK  CM-UCP206-103D1 LYC  31310/P5 NTN  241/560B SKF  CR25x37x7CRW1V

版权所有©2009-2015 轴承狗zcgou.com ICP备案:津ICP备14004550号-13