SKF315754轴承详细参数

发布时间:2026-04-14
圆柱滚子轴承, 六列
主要数据尺寸 基本负荷额定值 疲劳负荷限值 额定速度 体积 型号
动态 静态 参照速度 限制速度
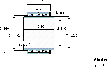
d D B C C0 Pu
mm kN kN r/min kg -
1101509023857069,5150018004,35315754

SKF315754圆柱滚子轴承供应商

八零动力专业销售315754圆柱滚子轴承,库存SKF315754大量现货,与SKF合作,咨询热线:022-58519723业务咨询
SKF315754该轴承的性能卓越,完全满足了各种严苛工况的需求它在包装机械中的应用,确保了设备的高效率 它的尺寸一致性,让批量生产成为可能 承载重托始终顺滑如初,高精度与高可靠性的完美结合,成就了这款杰出的轴承,八零动力SKF圆柱滚子轴承品种全,价格优,质量有保证!

用户关注最多的SKF轴承型号

SKF2x7307BECBM* SKF619/500MA SKF6201/HR11QN SKF6202-2ZN SKF71830CD/HCP4A SKF7306B/DF SKFAOH3280G SKFC3048K* SKFC5918-2CS5V* SKFCR12631 SKFCR30X50X8HMSA10RG SKFCR40X72X7HMS5V SKFCR45X68X12HMS5RG SKFHE318 SKFSYR2.1/2H-3

315754圆柱滚子轴承近似的SKF轴承型号

SKF315754 SKF315643/VJ202 SKF315767K

用户关注最多的轴承狗热门型号

NACHI  24080EW33 FLT  NJ328 INA  PAP220100-P14 INA  LR5208-2Z NTN  7821CDB LYC  6207 E-2RS 国产  NAV4916 SYEYR  NU2316E 国产  NJ2332M+HJ2332 KOYO  NJ311+HJ311 LYC  16005 E/P6 SKF  CR25X45X7HMS5V TIMKEN  467/452D IKO  TLA2512Z IKO  AZ456514

版权所有©2009-2015 轴承狗zcgou.com ICP备案:津ICP备14004550号-13