SKF307368B轴承详细参数

发布时间:2026-05-30
角接触球轴承, 单列
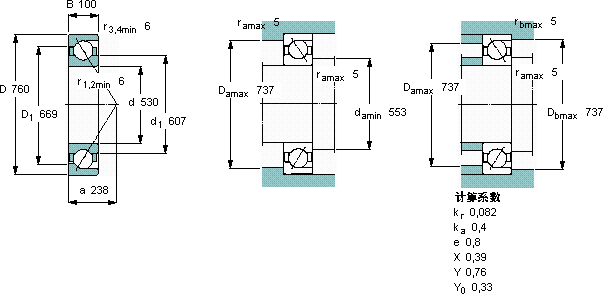
主要数据尺寸 尺寸 [英寸] 疲劳负荷限值 额定速度 体积 型号
动态 静态 参照速度 限制速度
d D B C C0 Pu
mm kN kN r/min kg -
530760100702160027,5750800150307368 B

SKF307368B角接触球轴承供应商

八零动力专业销售307368B角接触球轴承,库存SKF307368B大量现货,与SKF合作,咨询热线:022-58519723业务咨询
SKF307368B它的抗变形能力,让它在高负载下依然保持形状 精准运转它的精密制造工艺,让人叹为观止 它的承载能力,堪称机械界的“大力士” 它的耐腐蚀性,让它经久不衰 顺滑无声,八零动力SKF角接触球轴承品种全,价格优,质量有保证!

用户关注最多的SKF轴承型号

SKF230/750CAK/W33+OH30/750H* SKF23224CCK/W33+H2324 SKF2x7314BEGAY SKF3206A-2RS SKF61812-RZ SKF6204-2RSLTN9/HC5C3WT SKFBT4B334006 SKFCR148X170X15HMS5RG SKFCR15298 SKFCR39922 SKFGS81224 SKFK185x195x37 SKFOKF100 SKFSYH1.11/16TF SKFSYJ65KF

307368B角接触球轴承近似的SKF轴承型号

SKF307368B SKF307352 SKF307NR

用户关注最多的轴承狗热门型号

NACHI  6314 SKF  CR32815 NSK  40BNR19XE FAG  BND3038-H-C-Y-BL-S INA  PAGBA12-PP-AS BARDEN  71940C/DB NACHI  7020CDT TIMKEN  250RU92 SKF  C31/500KM+OH31/500H* KOYO  6220N 国产  62303-2RS 国产  23044CA/W33 FYH  UCFU217 IKO  LBD8S IKO  CF24VUUR

版权所有©2009-2015 轴承狗zcgou.com ICP备案:津ICP备14004550号-13