SKF305-ZNR轴承详细参数

发布时间:2026-05-30
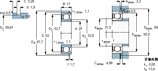
深沟球轴承, 单列,带装球缺口和止动环槽, 单面防尘罩
主要数据尺寸 基本负荷额定值 疲劳负荷限值 额定速度 体积 型号
动态 静态 参照速度 限制速度 轴承,带止动环 止动环
d D B C C0 Pu
mm kN kN r/min kg -
25621722,915,60,6720000130000,24305-ZNRSP 62

SKF305-ZNR深沟球轴承供应商

八零动力专业销售305-ZNR深沟球轴承,库存SKF305-ZNR大量现货,与SKF合作,咨询热线:022-58519723业务咨询
SKF305-ZNR不得不说,这款轴承的品质过硬,在行业内堪称典范,制造工艺精湛,使得这款轴承的精度和稳定性都非常出色质量上乘的轴承,是提升机械设备性能的关键因素每一次旋转,都是品质的见证,轴承的耐用性极佳,能够承受高强度的工作负荷高品质的轴承,在各种复杂工况下都能展现出卓越的性能表现,八零动力SKF深沟球轴承品种全,价格优,质量有保证!

用户关注最多的SKF轴承型号

SKF23260CC/W33* SKF24036CC/W33* SKF240/750ECA/W33* SKF24780/24720/Q SKF52312 SKF6213-2RS1/HC5C3WT SKFBS2B243262 SKFCR40X62X6HMSA7P2R SKFCR75X95X12HMSA10V SKFCR86403 SKFCR960x1020x25HDS2D SKFK65x73x23 SKFLM501349/2/310/2/QCL7C SKFNUP210ECML* SKFYAR209-110-2F

305-ZNR深沟球轴承近似的SKF轴承型号

SKF6305/VA201 SKF305-ZNR SKFE2.6305-2Z/C3 SKF6305-2RS SKFBB1B630533 SKF6305* SKF62305-2RS1 SKFW6305-2Z SKF4305ATN9 SKF6305-RS1* SKF305-Z SKF305172B

用户关注最多的轴承狗热门型号

TIMKEN  K60X68X23FH 国产  7206CETA TIMKEN  HM3164 NSK  607VV SKF  NJ220E+HJ220E TIMKEN  G1115KRRB 国产  22212CK STEYR  NUP318 SKF  6017N SKF  FY2.15/16RM NACHI  52430 FAG  SNV300-L + 22328-E1 + DHV328 SKF  330870BG 国产  NKIA5911 LYC  7210 CM

版权所有©2009-2015 轴承狗zcgou.com ICP备案:津ICP备14004550号-13