
SKF30307RJ2/Q轴承详细参数
发布时间:2026-04-15
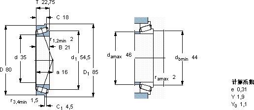
| | | | | | | | | | |
| 圆锥滚子轴承, 单列, 公制轴承, 外圈有挡边 |
 |
| 主要数据尺寸 | 基本负荷额定值 | 疲劳负荷限值 | 额定速度 | 体积 | 型号 |
| | 动态 | 静态 | | 参照速度 | 限制速度 |
| d | D | T | C | C0 | Pu | |
 |
| mm | kN | kN | r/min | kg | - |
 |
| 35 | 80 | 22,75 | 72,1 | 73,5 | 8,3 | 6700 | 9000 | 0,52 | 30307 RJ2/Q |
SKF30307RJ2/Q圆锥滚子轴承供应商
- 八零动力专业销售30307RJ2/Q圆锥滚子轴承,库存SKF30307RJ2/Q大量现货,与SKF合作,咨询热线:022-58519723

- SKF30307RJ2/Q稳定旋转的核心力量零误差起步为设备的精确运行提供了保障,该轴承的精度控制精准,为设备的精确运行提供了保障它的品质卓越,为机械设备的高效、稳定运行保驾护航该轴承的性能优越,极大地提高了设备的工作效率质量上乘的轴承,为设备的高效稳定运行奠定了基础,八零动力SKF圆锥滚子轴承品种全,价格优,质量有保证!
用户关注最多的SKF轴承型号
SKF23134CCK/W33+H3134*
SKF2x7306BECBY
SKF7202AC
SKFC4916V*
SKFCR660x724x25HDS1R
SKFIR15x20x12IS1
SKFNA6914
SKFNU310ECJ*
SKFP80R-1.1/4TR
SKFPDNB208
SKFS71906ACD/P4A
SKFS71913CD/HCP4A
SKFSAF22524x4.1/16
SKFSNW3028x4.15/16
SKFSY1.TR