SKF2x7240BCBM轴承详细参数

发布时间:2026-05-30
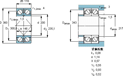
角接触球轴承, 单列,用于配对安装, 面对面配对
主要数据尺寸 基本负荷额定值 疲劳负荷限值 额定速度 体积 型号 轴承配对
动态 静态 参照速度 限制速度
d D 2B C C0 Pu
mm kN kN r/min kg --
200360116527865221400200050,02 × 7240 BCBMDF

SKF2x7240BCBM角接触球轴承供应商

八零动力专业销售2x7240BCBM角接触球轴承,库存SKF2x7240BCBM大量现货,与SKF合作,咨询热线:022-58519723业务咨询
SKF2x7240BCBM高精度的制造工艺,造就了这款高品质的轴承它的模块化设计,让安装和更换变得轻松便捷 其设计和制造都达到了极高的水准,是一款不可多得的轴承它的材质选择,体现了对品质的极致追求 优秀的设计和卓越的性能,让这款轴承备受青睐它的故障率极低,确保了设备的稳定运行 ,八零动力SKF角接触球轴承品种全,价格优,质量有保证!

用户关注最多的SKF轴承型号

SKF2206E-2RS1KTN9+H306C SKF232/530CAK/W33 SKF53208U SKF6306/HR11QN SKF722516B SKFBSD55100CG SKFCR400650 SKFCR5523 SKFCR5707 SKFCR6125 SKFFSNL515-612 SKFFYJ30TF SKFGE140ES-2RS SKFGEM17ES-2RS SKFNUP318ECJ*

2x7240BCBM角接触球轴承近似的SKF轴承型号

SKF7240C/DB SKF7240AC/DB SKF2x7240BCBM SKF7240BCBM SKF7240B SKF7240AC/DF SKF7240C/DF SKF7240C/DT SKF7240AC/DT SKF7240AC SKF2x7238BCBM SKF2x7244BCBM

用户关注最多的轴承狗热门型号

RIV  NJ422 LYC  6312 E-2RZ/Z1 国产  624-2Z NSK  HR32932J SKF  SYK30TR NACHI  29685/29620 FAG  SNV130-L + 22312-E1 + DHV312 SKF  CR28669 国产  351176 TIMKEN  160RT03 国产  NU206M SNR  7224AC/DB ZKL  7340B/DT IKO  NURT20 Stieber  DC168G-45

版权所有©2009-2015 轴承狗zcgou.com ICP备案:津ICP备14004550号-13