SKF24196ECA/W33*轴承详细参数

发布时间:2026-04-15
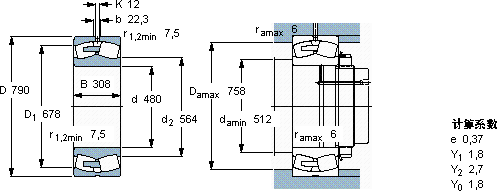
球面滚子轴承, 圆柱和圆锥孔, 圆柱型内孔, 无密封件
主要数据尺寸 基本负荷额定值 疲劳负荷限值 额定速度 体积 型号
动态 静态 参照速度 限制速度
d D B C C0 Pu * - SKF Explorer 轴承
mm kN kN r/min kg -
480790308900015600104034063060524196 ECA/W33 *

SKF24196ECA/W33*球面滚子轴承供应商

八零动力专业销售24196ECA/W33*球面滚子轴承,库存SKF24196ECA/W33*大量现货,与SKF合作,咨询热线:022-58519723业务咨询
SKF24196ECA/W33*它的可靠性,赢得了无数工程师的信任 是您成功路上的得力助手,为您的机械注入强大动力,它在风力发电中的应用,为清洁能源贡献力量 它的润滑技术,让摩擦降至最低 它的耐磨性能,让它在恶劣环境下依然稳定运行 ,八零动力SKF球面滚子轴承品种全,价格优,质量有保证!

用户关注最多的SKF轴承型号

SKF32226J2/DF SKF7005C/DB SKF7210CD/HCP4A SKF7311BEGCY SKFCR35076 SKFCR419000 SKFCR60x80x8CRW1V SKFFYT3/4TF/AH SKFGEP220FS SKFHA218 SKFN084 SKFNNU4972K/W33 SKFNU234ECM* SKFSAA60TXE-2LS SKFVJ-PDNB315

24196ECA/W33*球面滚子轴承近似的SKF轴承型号

SKF24196ECA/W33* SKF24196ECAK30/W33* SKF24196ECAK30/W33+AOH24196* SKF24196ECA/W33 SKF241/1000ECAK30F/W33+AOH241/1000

用户关注最多的轴承狗热门型号

INA  CSCA060 TORRINGTON  22219CC/W33 KOYO  NJ2304 NACHI  528/522 TIMKEN  L327249/L327210D LYC  352048 X2/P5 NSK  FC-16 NACHI  29296E TIMKEN  LM125748/LM125711 SKF  NUC3004CV ZKL  NJ2238 SKF  KR80PPA TIMKEN  47688/47620 TIMKEN  29422 IKO  GE220GS-2RS

版权所有©2009-2015 轴承狗zcgou.com ICP备案:津ICP备14004550号-13