SKF24192ECA/W33*轴承详细参数

发布时间:2026-05-30
球面滚子轴承, 圆柱和圆锥孔, 圆柱型内孔, 无密封件
主要数据尺寸 基本负荷额定值 疲劳负荷限值 额定速度 体积 型号
动态 静态 参照速度 限制速度
d D B C C0 Pu * - SKF Explorer 轴承
mm kN kN r/min kg -
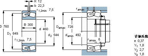
460760300830014600100036067056024192 ECA/W33 *

SKF24192ECA/W33*球面滚子轴承供应商

八零动力专业销售24192ECA/W33*球面滚子轴承,库存SKF24192ECA/W33*大量现货,与SKF合作,咨询热线:022-58519723业务咨询
SKF24192ECA/W33*它的轴向游隙控制,精准到令人惊叹 它的每一次转动,都是对效率的极致追求 为设备的精确运行提供了保障,该轴承的精度控制精准,为设备的精确运行提供了保障旋转无忧轴承的稳定性和可靠性表现卓越,赢得了广泛赞誉它的轴向跳动控制,确保了机械的平稳运行 ,八零动力SKF球面滚子轴承品种全,价格优,质量有保证!

用户关注最多的SKF轴承型号

SKF214-2Z SKF6001/HR11TN SKF6203* SKFBT4-8060G/HA4VA901 SKFC4188MB* SKFCR12339 SKFCR80x100x13CRSA1R SKFFY1.5/16FM SKFFYRP3.7/16H-3 SKFHA2316x2.3/4 SKFK16x22x12 SKFN318ECM* SKFNA4864 SKFNNU40/530M/W33 SKFPFT1.9/16TF

24192ECA/W33*球面滚子轴承近似的SKF轴承型号

SKF24192ECAK30/W33+AOH24192* SKF24192ECAK30/W33* SKF24192ECA/W33* SKF24192ECA/W33 SKF241/950ECAF/W33

用户关注最多的轴承狗热门型号

LYC  350626/YA1 TIMKEN  07100-SA/07196D+X1S-07100 NSK  23164CAMKE4 FAG  BND3030-H-W-Y-BL-S SKF  NNU4972K/W33 KOYO  32928 INA  CSCA065 LYC  6204 E/C3 MRC  7216B/DF FAG  231SM140-MA INA  GAL6-DO SKF  FYR4H-3 IKO  RNAF182613 IKO  GE45ES-2RS IKO  MXDG45

版权所有©2009-2015 轴承狗zcgou.com ICP备案:津ICP备14004550号-13