SKF24096ECA/W33*轴承详细参数

发布时间:2026-04-14
球面滚子轴承, 圆柱和圆锥孔, 圆柱型内孔, 无密封件
主要数据尺寸 基本负荷额定值 疲劳负荷限值 额定速度 体积 型号
动态 静态 参照速度 限制速度
d D B C C0 Pu * - SKF Explorer 轴承
mm kN kN r/min kg -
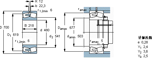
48070021853001040069545075028524096 ECA/W33 *

SKF24096ECA/W33*球面滚子轴承供应商

八零动力专业销售24096ECA/W33*球面滚子轴承,库存SKF24096ECA/W33*大量现货,与SKF合作,咨询热线:022-58519723业务咨询
SKF24096ECA/W33*其设计和制造都达到了极高的水准,是一款不可多得的轴承它的尺寸一致性,让批量生产成为可能 为您创造更多可能,稳定持久它的抗氧化性能,延长了它的使用寿命 它的故障率极低,确保了设备的稳定运行 ,八零动力SKF球面滚子轴承品种全,价格优,质量有保证!

用户关注最多的SKF轴承型号

SKF23044CCK/W33+AOH3044G* SKF24072CAC/W33 SKF3222 SKF3316 SKF3319DMA SKF609/HR11QN SKF7006FB/P7 SKFCR100X120X12HMSA10RG SKFCR11908 SKFCR22X40X7HMSA10RG SKFN30/1320/VE901 SKFNJ308E SKFRN-5x39.8BF/G2 SKFRNA4848 SKFSC71912DB/P7

24096ECA/W33*球面滚子轴承近似的SKF轴承型号

SKF24096ECAK30/W33+AOH24096* SKF24096ECA/W33* SKF24096ECAK30/W33* SKF24096ECA/W33 SKF240/1000CAK30F/W33+AOH240/1000

用户关注最多的轴承狗热门型号

SKF  CR24X42X8HMS5RG FAG  SNV120-L + 1311-TVH + FSV311 INA  K81152-M 国产  6224-Z INA  PCJ25-N-FA125 INA  RSRB13-117-L0 TIMKEN  120RF03 RIV  NJ2326 国产  RNA4917A TIMKEN  567X/563D+X2S-567 FAG  SNV120-L + 20213-K-TVP-C3 + H213X206 + DHV513 KOYO  7240B/DB NSK  HR32216J IKO  NAF7010030 IKO  MXNG30

版权所有©2009-2015 轴承狗zcgou.com ICP备案:津ICP备14004550号-13