SKF24060-2CS5/VT143*轴承详细参数

发布时间:2026-05-30
球面滚子轴承, 圆柱和圆锥孔, 圆柱型内孔, 两面密封件
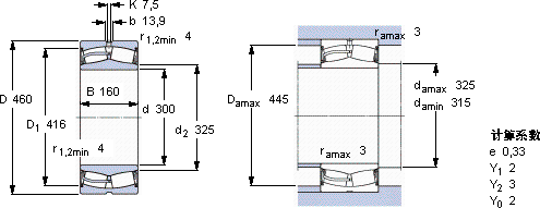
主要数据尺寸 基本负荷额定值 疲劳负荷限值 额定速度 体积 型号
动态 静态 参照速度 限制速度
d D B C C0 Pu * - SKF Explorer 轴承
mm kN kN r/min kg -
30046016027004750355-2409724060-2CS5/VT143 *

SKF24060-2CS5/VT143*球面滚子轴承供应商

八零动力专业销售24060-2CS5/VT143*球面滚子轴承,库存SKF24060-2CS5/VT143*大量现货,与SKF合作,咨询热线:022-58519723业务咨询
SKF24060-2CS5/VT143*设计合理、性能优良的轴承,是机械设备的理想之选这轴承的稳定性极佳,在高速运转时也能保持良好状态该轴承的性能卓越,完全满足了各种严苛工况的需求制造工艺精湛,使得这款轴承在运转时更加顺畅平稳其设计和制造都达到了极高的水准,是一款不可多得的轴承它的多样化应用,展现了它的无限可能 ,八零动力SKF球面滚子轴承品种全,价格优,质量有保证!

用户关注最多的SKF轴承型号

SKF23952CC/W33 SKF71826ACD/P4 SKF71903ACD/HCP4A SKF71912ACD/HCP4A SKFBTM90B/P4CDBB SKFCR28X52X7HMSA10V SKFCR45x62x10CRSA1V SKFCR528927 SKFFSYE4NH-118 SKFCR9998 SKFNK28/20 SKFNJ314ECJ* SKFOKBS128 SKFSDAF23180 SKFSNL3168LTURT

24060-2CS5/VT143*球面滚子轴承近似的SKF轴承型号

SKF24060CC/W33* SKF24060-2CS5/VT143* SKF24060CCK30/W33+AOH24060G* SKF24060CCK30/W33* SKF24056CC/W33* SKF240/600ECA/W33

用户关注最多的轴承狗热门型号

NACHI  NP315 SKF  HK2516 TIMKEN  RA115RR2 SKF  HE3124L SKF  NUP221ECML* TIMKEN  29685/29620 SKF  C2317K+AHX2317* STEYR  NJ2312 国产  56245/56662 SKF  NU2230E SKF  IR12x15x16 TORRINGTON&FAFNIR  6310-Z SKF  CR30033 KOYO  HM813844/11 NTN  6005-RZ

版权所有©2009-2015 轴承狗zcgou.com ICP备案:津ICP备14004550号-13