SKF24040CC/W33*轴承详细参数

发布时间:2026-04-14
球面滚子轴承, 圆柱和圆锥孔, 圆柱型内孔, 无密封件
主要数据尺寸 基本负荷额定值 疲劳负荷限值 额定速度 体积 型号
动态 静态 参照速度 限制速度
d D B C C0 Pu * - SKF Explorer 轴承
mm kN kN r/min kg -
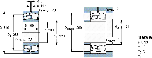
200310109129021201861300190031,024040 CC/W33 *

SKF24040CC/W33*球面滚子轴承供应商

八零动力专业销售24040CC/W33*球面滚子轴承,库存SKF24040CC/W33*大量现货,与SKF合作,咨询热线:022-58519723业务咨询
SKF24040CC/W33*让工作更高效,它的低摩擦设计,减少了能量损耗 它的润滑技术,减少了摩擦和磨损 没有轴承,现代机械将寸步难行,为您的机械注入强大动力,制造工艺精湛,使得这款轴承的精度和稳定性都非常出色,八零动力SKF球面滚子轴承品种全,价格优,质量有保证!

用户关注最多的SKF轴承型号

SKF1318K SKF23140-2CS5/VT143* SKF23156-2CS5/VT143* SKF331480G SKF7230BGAM SKFC3088KMB* SKFCR18X24X3HM4R SKFCR19X27X4HM4R SKFCR99233 SKFFSNL528 SKFNUP312ECML* SKFS7021ACD/P4A SKFSA70ES-2RS SKFSAL70ES-2RS SKFYSA213-2FK

24040CC/W33*球面滚子轴承近似的SKF轴承型号

SKF24040CCK30/W33* SKF24040CC/W33* SKF24040CCK30/W33+AH24040* SKF24040CC/W33 SKF24044CCK30/W33

用户关注最多的轴承狗热门型号

FAG  SNV130-L + 1312-TVH + TCV312 SKF  QJ305MA SKF  CR9903 SKF  7216BEP NACHI  NJ205 FAG  SNV062-L + 20305-TVP + TSV305 国产  NJ2313M+HJ2313 NMB  LF-625Y51 TORRINGTON FAFNIR  7219B NACHI  380KBD031 FAG  234421-M-SP FAG  30230-A SNR  7036AC/DT NTN  511/530 SKF  SNW3044x8

版权所有©2009-2015 轴承狗zcgou.com ICP备案:津ICP备14004550号-13