SKF23988CCK/W33+OH3988H*轴承详细参数

发布时间:2026-04-14
球面滚子轴承, 带紧定套的
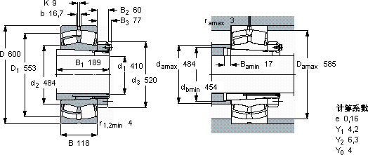
主要数据尺寸 基本负荷额定值 疲劳负荷限值 额定速度 体积 型号
动态 静态 参照速度 限制速度 轴承 + 紧定套
d1 D B C C0 Pu
* - SKF Explorer 轴承
mm kN kN r/min kg -
41060011824504900345950100015023988 CCK/W33 + OH 3988 H *

SKF23988CCK/W33+OH3988H*球面滚子轴承供应商

八零动力专业销售23988CCK/W33+OH3988H*球面滚子轴承,库存SKF23988CCK/W33+OH3988H*大量现货,与SKF合作,咨询热线:022-58519723业务咨询
SKF23988CCK/W33+OH3988H*匠心制造它在农业机械中的应用,展现了它的耐用性 它的精密性,让它在高精度设备中无可替代 它的滚动体分布均匀,运转平稳无振动 它的耐高温性能,让它在极端环境下依然稳定运行 它在风力发电中的应用,为清洁能源贡献力量 ,八零动力SKF球面滚子轴承品种全,价格优,质量有保证!

用户关注最多的SKF轴承型号

SKF2x7319BEGAY SKFBT4B334081/HA4 SKFCR18X28X7HMS5V SKFCR35X52X8HMSA10V SKFCR55X78X10HMS5RG SKFCR90810 SKFFSAF22611 SKFHME30/500 SKFNU2224ECP* SKFPCZ1816B SKFPFT35RM SKFRNA4868 SKFTVN210A SKFUC205 SKFW6004

23988CCK/W33+OH3988H*球面滚子轴承近似的SKF轴承型号

SKF23988CCK/W33+OH3988H* SKF23988CCK/W33* SKF23988CC/W33* SKF23988CCK/W33* SKF23988CC/W33

用户关注最多的轴承狗热门型号

INA  LTS50-Tr32x6 SKF  GS81236 FLT  NUP220 THK  LB406280 KOYO  6213-Z FAG  AH30/530A-H STEYR  32008 SKF  PCM758050E LYC  51192 M/P5 SKF  CR36X58X10HMS5RG INA  RMWE12-RB/59x../18 KOYO  22012RS SKF  CR529489 SKF  6008-RZ* LYC  99456 M/P6

版权所有©2009-2015 轴承狗zcgou.com ICP备案:津ICP备14004550号-13