SKF23938CCK/W33+H3938轴承详细参数

发布时间:2026-04-15
球面滚子轴承, 带紧定套的
主要数据尺寸 基本负荷额定值 疲劳负荷限值 额定速度 体积 型号
动态 静态 参照速度 限制速度 轴承 + 紧定套
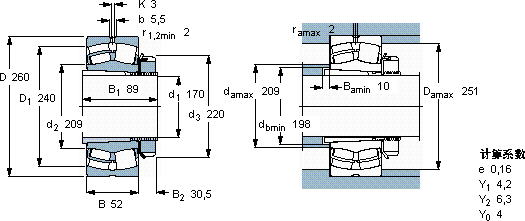
d1 D B C C0 Pu
mm kN kN r/min kg -
1702605241480076,52200260014,523938 CCK/W33 + H 3938

SKF23938CCK/W33+H3938球面滚子轴承供应商

八零动力专业销售23938CCK/W33+H3938球面滚子轴承,库存SKF23938CCK/W33+H3938大量现货,与SKF合作,咨询热线:022-58519723业务咨询
SKF23938CCK/W33+H3938引领转动新潮流,它的每一次转动,都是对精准度的极致追求 这款轴承的精度极高,能够满足对精度要求苛刻的设备它的润滑技术,减少了摩擦和磨损 稳定旋转的核心力量轴承的稳定性和可靠性表现卓越,赢得了广泛赞誉,八零动力SKF球面滚子轴承品种全,价格优,质量有保证!

用户关注最多的SKF轴承型号

SKF23176CA/W33* SKF23244CCK/W33+H2344 SKF3208A-2Z/MT33* SKF61938MA SKF7324BGBM SKFBTM85B/HCP4CDBA SKFC39/600M* SKFCR35x52x8CRW1R SKFCR401502 SKFCR43X62X8HMS5V SKFFSAF22520x3.3/8 SKFKMK5 SKFPCZ1624M SKFPFT20FM SKFYEL206-104-2F

23938CCK/W33+H3938球面滚子轴承近似的SKF轴承型号

SKF23938CCK/W33 SKF23938CCK/W33+H3938 SKF23938CC/W33 SKF23938CCK/W33 SKF23938CC/W33

用户关注最多的轴承狗热门型号

FAG  22222-E1-K + AHX3122 STEYR  NU315E NTN  RNA69/32 SKF  23064CAC/W33 TIMKEN  3576/3525-B DKF  7322B/DB NTN  230/710BK KOYO  NU2232R NTN  7215C/DF SKF  CR524370 SKF  BT4B328977BG/HA1VA901 NSK  7205A5TYNSULP4 SKF  23140CCK/33+H3140 SKF  CR19746 KOYO  23038CC/W33

版权所有©2009-2015 轴承狗zcgou.com ICP备案:津ICP备14004550号-13