SKF23280CA/W33*轴承详细参数

发布时间:2026-04-15
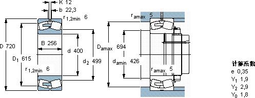
球面滚子轴承, 圆柱和圆锥孔, 圆柱型内孔, 无密封件
主要数据尺寸 基本负荷额定值 疲劳负荷限值 额定速度 体积 型号
动态 静态 参照速度 限制速度
d D B C C0 Pu * - SKF Explorer 轴承
mm kN kN r/min kg -
40072025665501040068048067045023280 CA/W33 *

SKF23280CA/W33*球面滚子轴承供应商

八零动力专业销售23280CA/W33*球面滚子轴承,库存SKF23280CA/W33*大量现货,与SKF合作,咨询热线:022-58519723业务咨询
SKF23280CA/W33*它的沟槽设计,完美匹配滚动体的运动轨迹 先进的制造工艺,让这款轴承的性能更加稳定可靠轴承的耐用性极佳,能够承受高强度的工作负荷它的精准度,让机械运转分毫不差 它的抗震性能,确保了它在振动环境下的可靠性 轴承的性能可靠,为机械设备的稳定运行立下汗马功劳,八零动力SKF球面滚子轴承品种全,价格优,质量有保证!

用户关注最多的SKF轴承型号

SKF1318K+H318 SKF2207 SKF618/560MA SKF7013DB/P7 SKF7203BEP SKF7204AC/DB SKFCR450x500x20HDS1R SKFCR523587 SKFCR528273 SKFCR90056 SKFMB56 SKFNJ252MA SKFPCM130135100M SKFSC25ES SKFSDAF23288

23280CA/W33*球面滚子轴承近似的SKF轴承型号

SKF23280CA/W33* SKF23280CAK/W33+AOH3280G* SKF23280CAK/W33+OH3280H* SKF23280CAK/W33* SKF23280CA/W33 SKF23284CACK/W33

用户关注最多的轴承狗热门型号

FAG  BND3128-H-C-Y-AF-S 国产  HK4020 SKF  T7FC050/QCL7C STEYR  51220 NSK  MR72 TIMKEN  HM256849D/HM256810+HM256810EA NSK  55BER19S LYC  NU 314 M/C4 LYC  6004 E/P53Z2 MRC  6216-ZN MRC  7205C IKO  GBR648032UU IKO  MXG45 IKO  CRW1-70 IKO  BK5710A

版权所有©2009-2015 轴承狗zcgou.com ICP备案:津ICP备14004550号-13