SKF23238CCK/W33+H2338*轴承详细参数

发布时间:2026-04-15
球面滚子轴承, 带紧定套的
主要数据尺寸 基本负荷额定值 疲劳负荷限值 额定速度 体积 型号
动态 静态 参照速度 限制速度 轴承 + 紧定套
d1 D B C C0 Pu
* - SKF Explorer 轴承
mm kN kN r/min kg -
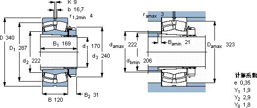
170340120166024002081300180059,023238 CCK/W33 + H 2338 *

SKF23238CCK/W33+H2338*球面滚子轴承供应商

八零动力专业销售23238CCK/W33+H2338*球面滚子轴承,库存SKF23238CCK/W33+H2338*大量现货,与SKF合作,咨询热线:022-58519723业务咨询
SKF23238CCK/W33+H2338*这款轴承的精度极高,能够满足对精度要求苛刻的设备该轴承的性能优越,极大地提高了设备的工作效率它的耐用性,赢得了无数用户的信赖 它在机床设备中的应用,确保了加工精度 转动不停歇为您的机械注入强大动力,,八零动力SKF球面滚子轴承品种全,价格优,质量有保证!

用户关注最多的SKF轴承型号

SKF7010AC/DF SKF71917C/DT SKF71910ACD/HCP4A SKF7317B/DB SKFCR14808 SKFCR17X34X7.9CRSA1P SKFCR2200252 SKFCR35X49X6HMS5V SKFCR504364 SKFCR524219 SKFCR62572 SKFOKCX450 SKFPWM140155150 SKFSAF1322 SKFSNL316TURU

23238CCK/W33+H2338*球面滚子轴承近似的SKF轴承型号

SKF23238CC/W33* SKF23238CCK/W33* SKF23238CCK/W33+AH3238G* SKF23238CCK/W33+H2338* SKF23238CCK/W33+AH3238G* SKF23238CC/W33

用户关注最多的轴承狗热门型号

FYH  UK305+H2305 TIMKEN  28138 /28315-B SKF  71924C/DF TORRINGTON FAFNIR  3207 SKF  CR77540 SKF  CR15750 SNR  51308 LYC  6305 E/C2 TIMKEN  M244249/M244210 INA  PAP80100-P14 FAG  SNV340-L + 22332-K-MB + H2332X507 + FSV532X507 INA  KSR20-B0-12-10-15-16 FAG  BND3168-H-C-T-AL-S IKO  CFE20VUU IKO  LRT809030-1

版权所有©2009-2015 轴承狗zcgou.com ICP备案:津ICP备14004550号-13