SKF23222-2CS5/VT143*轴承详细参数

发布时间:2026-04-14
球面滚子轴承, 圆柱和圆锥孔, 圆柱型内孔, 两面密封件
主要数据尺寸 基本负荷额定值 疲劳负荷限值 额定速度 体积 型号
动态 静态 参照速度 限制速度
d D B C C0 Pu * - SKF Explorer 轴承
mm kN kN r/min kg -
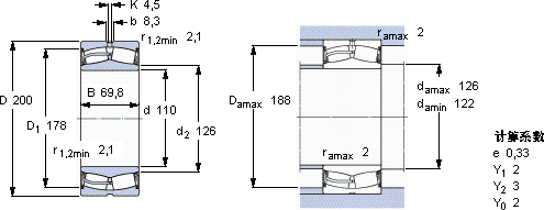
11020069,860076576,5-6409,8523222-2CS5/VT143 *

SKF23222-2CS5/VT143*球面滚子轴承供应商

八零动力专业销售23222-2CS5/VT143*球面滚子轴承,库存SKF23222-2CS5/VT143*大量现货,与SKF合作,咨询热线:022-58519723业务咨询
SKF23222-2CS5/VT143*稳定持久它的抗疲劳性能,确保了长期使用的可靠性 轴承的耐用性极佳,为设备的长期稳定运行提供了保障这款轴承的运转平稳,几乎听不到任何噪音,令人惊艳该轴承的性能出色,有效提升了机械设备的整体性能它的每一次转动,都是对效率的极致追求 ,八零动力SKF球面滚子轴承品种全,价格优,质量有保证!

用户关注最多的SKF轴承型号

SKF21322CCK+H322 SKF2219K+H319 SKF23176CACK/W33 SKF6407NR SKF7311BECCM* SKFC5912V* SKFCR350x380x16HDS2R SKFCR48x70x8CRW1R SKFCR86435 SKFCR99847 SKFFSYE3.-18 SKFNNU4948B/SPW33 SKFPCZ3640M SKFS71920CD/P4A SKFWS81207

23222-2CS5/VT143*球面滚子轴承近似的SKF轴承型号

SKF23222CCK/W33+H2322 SKF23222-2CS5/VT143* SKF23222-2CS5K/VT143* SKF23222CC/W33* SKF23222CCK/W33+AHX3222G* SKF23222CCK/W33* SKF23222-2CS5K/VT143* SKF23222CCK/W33

用户关注最多的轴承狗热门型号

FAG  SNV160-L + 2218-K-TVH-C3 + H318X303 + DHV518X303 NSK  6236ZZS NSK  23068CAKE4 NTN  7817CDB LYC  604917/S0 TORRINGTON FAFNIR  7217C NTN  6219NR NSK  53315 LYC  NJ 218 MRC  7330B/DB NMB  RI-3332ZZ 国产  NK125/30 KOYO  114FC81594 NTN  7004AC/DB IKO  CF6WBUUR

版权所有©2009-2015 轴承狗zcgou.com ICP备案:津ICP备14004550号-13