SKF23220CCK/W33+H2320*轴承详细参数

发布时间:2026-05-30
球面滚子轴承, 带紧定套的
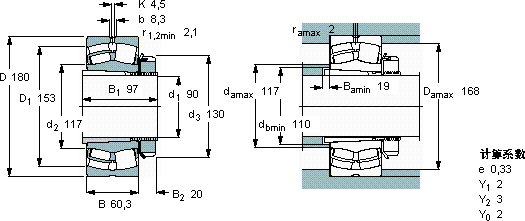
主要数据尺寸 基本负荷额定值 疲劳负荷限值 额定速度 体积 型号
动态 静态 参照速度 限制速度 轴承 + 紧定套
d1 D B C C0 Pu
* - SKF Explorer 轴承
mm kN kN r/min kg -
9018060,347560063240034008,7523220 CCK/W33 + H 2320 *

SKF23220CCK/W33+H2320*球面滚子轴承供应商

八零动力专业销售23220CCK/W33+H2320*球面滚子轴承,库存SKF23220CCK/W33+H2320*大量现货,与SKF合作,咨询热线:022-58519723业务咨询
SKF23220CCK/W33+H2320*它的精密装配,确保了整体性能的卓越 轴承的耐用性强,减少了设备的停机维护时间引领行业速度,我们的轴承始终稳如磐石卓越的设计理念,赋予了这款轴承超凡的性能成就非凡转动体验让您的设备一顺到底,设计合理、性能优良的它,是机械设备稳定运行的重要保障,八零动力SKF球面滚子轴承品种全,价格优,质量有保证!

用户关注最多的SKF轴承型号

SKF2201 SKF315836 SKF3303A-2Z SKF5214E SKF61876MA SKF89420M SKFBC4B457984VCA SKFC3996KM+OH3996H* SKFCR12379 SKFCR16286 SKFCR31855 SKFCR99125 SKFHA3132L SKFSIJ12E SKFSNL3136TURT

23220CCK/W33+H2320*球面滚子轴承近似的SKF轴承型号

SKF23220CCK/W33+H2320* SKF23220CCK/W33+AHX3220* SKF23220CC/W33* SKF23220CCK/W33* SKF23220-2CS/VT143* SKF23220CCK/W33+AHX3220* SKF23220CC/W33

用户关注最多的轴承狗热门型号

FAG  SNV090-L + 21308-E1-K + H308X104 + DH608X104 LYC  NN 3044/P5W33 SKF  32013 FAG  SNV150-L + 2217-K-M-C3 + H317X215 + DH517 TIMKEN  365/362-B TIMKEN  LM67047/LM67010-B INA  MKLF52145-ZR MRC  7004AC/DT SKF  CR14808 ASAHI  UCFLU320 NTN  71914C/DB SKF  CR200x230x15.87HDS1R TIMKEN  200RN51 SKF  W6306 GMN  7217AC/DT

版权所有©2009-2015 轴承狗zcgou.com ICP备案:津ICP备14004550号-13