SKF2317KM+H2317轴承详细参数

发布时间:2026-05-30
自调心球轴承, 带紧定套, 无密封件
主要数据尺寸 基本负荷额定值 疲劳负荷限值 额定速度 体积 型号
动态 静态 参照速度 限制速度 轴承 + 紧定套
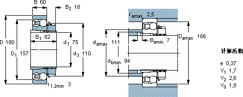
d1 D B C C0 Pu
mm kN kN r/min kg -
7518060140512,28670048008,152317 KM + H 2317

SKF2317KM+H2317自调心球轴承供应商

八零动力专业销售2317KM+H2317自调心球轴承,库存SKF2317KM+H2317大量现货,与SKF合作,咨询热线:022-58519723业务咨询
SKF2317KM+H2317它的尺寸精度,达到了微米级的极致 这轴承的选材讲究,坚固耐用,寿命远超同类产品性能优越的轴承,极大地提高了设备的工作效率和稳定性它的质量卓越,为机械设备的安全运行保驾护航承载未来转动的艺术,八零动力SKF自调心球轴承品种全,价格优,质量有保证!

用户关注最多的SKF轴承型号

SKF32206 SKF387A/382S/Q SKF51332M SKF5308E SKF6313-2ZN SKFBC4B322498 SKFCR15194 SKFCR81245 SKFM160x3 SKFNNU4840/W33 SKFPCM657050E SKFPCZ0202B SKFPWM200220200 SKFSAL35ES-2RS SKFSIR60ES

2317KM+H2317自调心球轴承近似的SKF轴承型号

SKF2317M SKF2317KM SKF2317KM+H2317 SKF2317K+H2317 SKF2317M

用户关注最多的轴承狗热门型号

KOYO  3192/20 DKF  7214AC/DF FAG  SNV240-L + 22322-E1-K + H2322 + FSV522 FAG  BND3240-H-W-T-BF-S STEYR  NUP232 LYC  23144 K NSK  23992CAMKE4 SKF  Z206F FAG  SNV120-L + 1213-K-TVH-C3 + H213 + TCV513 国产  6310-2RS/Z3 RIV  N422 SKF  CR70X95X10HMSA10RG INA  RASEY20-N NSK  RNA4907 SNR  7236C/DT

版权所有©2009-2015 轴承狗zcgou.com ICP备案:津ICP备14004550号-13