SKF23168CCK/W33+OH3168H*轴承详细参数

发布时间:2026-05-29
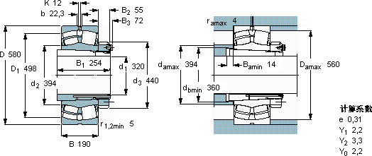
球面滚子轴承, 带紧定套的
主要数据尺寸 基本负荷额定值 疲劳负荷限值 额定速度 体积 型号
动态 静态 参照速度 限制速度 轴承 + 紧定套
d1 D B C C0 Pu
* - SKF Explorer 轴承
mm kN kN r/min kg -
32058019042506800480800100025023168 CCK/W33 + OH 3168 H *

SKF23168CCK/W33+OH3168H*球面滚子轴承供应商

八零动力专业销售23168CCK/W33+OH3168H*球面滚子轴承,库存SKF23168CCK/W33+OH3168H*大量现货,与SKF合作,咨询热线:022-58519723业务咨询
SKF23168CCK/W33+OH3168H*旋转无忧这款轴承的运转十分平稳,几乎感受不到任何震动承载未来它的尺寸一致性,让批量生产成为可能 它虽小,却是工业革命的基石 出色的性能表现,让这款轴承成为行业内的明星产品,,八零动力SKF球面滚子轴承品种全,价格优,质量有保证!

用户关注最多的SKF轴承型号

SKF1315 SKF24124CCK30/W33* SKF315802 SKF7003AC/DB SKF71908CE/HCP4A SKFBC2B320075/VJ202 SKF7313B/DF SKF7320BEGAF SKFFYR3.1/2 SKFGX20F SKFH414249/210/Q SKFP80R-1.7/16WF SKFPCM130135100E SKFQJ336N2MA* SKFSNL3084F

23168CCK/W33+OH3168H*球面滚子轴承近似的SKF轴承型号

SKF23168CC/W33* SKF23168CCK/W33* SKF23168CCK/W33+OH3168H* SKF23168CCK/W33+AOH3168G* SKF23168-2CS5/VT143* SKF23168CCK/W33+AOH3168G* SKF23168CC/W33

用户关注最多的轴承狗热门型号

FAG  SNV130-L + 20312-K-TVP-C3 + H312 + FSV612 FLT  NJ311 SKF  23080CCK/W33* SKF  812/950M SKF  H2312 SKF  SDAFS22528x4.13/16 MRC  7320C NTN  619/8-Z MAC  NJ2306 SKF  CR26X37X7HMSA10V RHP  6019-RS INA  SL045013-PP SNR  7318B/DF TIMKEN  K45X53X25F IKO  NAG4914UU

版权所有©2009-2015 轴承狗zcgou.com ICP备案:津ICP备14004550号-13