SKF23164CCK/W33+OH3164H*轴承详细参数

发布时间:2026-05-30
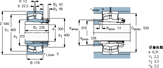
球面滚子轴承, 带紧定套的
主要数据尺寸 基本负荷额定值 疲劳负荷限值 额定速度 体积 型号
动态 静态 参照速度 限制速度 轴承 + 紧定套
d1 D B C C0 Pu
* - SKF Explorer 轴承
mm kN kN r/min kg -
30054017637506000440850110018523164 CCK/W33 + OH 3164 H *

SKF23164CCK/W33+OH3164H*球面滚子轴承供应商

八零动力专业销售23164CCK/W33+OH3164H*球面滚子轴承,库存SKF23164CCK/W33+OH3164H*大量现货,与SKF合作,咨询热线:022-58519723业务咨询
SKF23164CCK/W33+OH3164H*它的长寿命,减少了更换频率 它在家用电器中的应用,让生活更加便捷 它的抗冲击性能,让它经得起各种考验 它在航空航天领域的应用,展现了它的高可靠性 它的故障率极低,确保了设备的稳定运行 制造工艺精湛,使得这款轴承的精度、稳定性和耐用性都非常出色,八零动力SKF球面滚子轴承品种全,价格优,质量有保证!

用户关注最多的SKF轴承型号

SKF2311K SKF4314ATN9 SKF53410 SKF7207CD/P4A SKFBEAM025075-2Z SKFBTM65B/HCP4CDBA SKFC4013V* SKFCR19579 SKFCR415500 SKFCR47X70X10HMSA10RG SKFFSNL516-613 SKFHE2332 SKFNU1021 SKFSYNT60LTS SKFW638/5-2ZR

23164CCK/W33+OH3164H*球面滚子轴承近似的SKF轴承型号

SKF23164CCK/W33+AOH3164G* SKF23164CC/W33* SKF23164-2CS5/VT143* SKF23164CCK/W33* SKF23164CCK/W33+OH3164H* SKF23164-2CS5K/VT143* SKF23164CCK/W33+AOH3164G* SKF23164CC/W33

用户关注最多的轴承狗热门型号

TIMKEN  30306/30306 NTN  NU1016 LYC  32022/YB2 ASK  NJ2212 NSK  7918A5DF LYC  6003 E/C3 NACHI  7314 FAG  SNV340-L + 22332-K-MB + H2332X508 + DHV532 SKF  BC4B322189 国产  NFP38/630Q4 FAG  SD560-N-FZ-AL-L + 222SM280-MA NTN  22324CCK/W33+H2324 INA  LTPG25-325-3205 IKO  IRT2220 IKO  NAX6040

版权所有©2009-2015 轴承狗zcgou.com ICP备案:津ICP备14004550号-13