SKF23160CCK/W33+OH3160H*轴承详细参数

发布时间:2026-04-15
球面滚子轴承, 带紧定套的
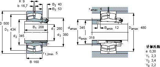
主要数据尺寸 基本负荷额定值 疲劳负荷限值 额定速度 体积 型号
动态 静态 参照速度 限制速度 轴承 + 紧定套
d1 D B C C0 Pu
* - SKF Explorer 轴承
mm kN kN r/min kg -
28050016032005100380950120015023160 CCK/W33 + OH 3160 H *

SKF23160CCK/W33+OH3160H*球面滚子轴承供应商

八零动力专业销售23160CCK/W33+OH3160H*球面滚子轴承,库存SKF23160CCK/W33+OH3160H*大量现货,与SKF合作,咨询热线:022-58519723业务咨询
SKF23160CCK/W33+OH3160H*优秀的轴承,就像精密仪器的心脏,确保着整个系统的高效运转转动世界的精密之选,卓越的性能表现,让这款轴承在市场上脱颖而出卓越的性能表现,使这款轴承在市场上拥有良好的口碑它在包装机械中的应用,确保了设备的高效率 轴承的耐用性极佳,能够承受高强度的工作负荷,八零动力SKF球面滚子轴承品种全,价格优,质量有保证!

用户关注最多的SKF轴承型号

SKF6004-RSH* SKF61809-RS SKF6208-2ZN SKF638/8-2Z SKF81138M SKFCR12X22X6HMSA10RG SKFCR15660 SKFCR3900564 SKFMB16 SKFN321ECP* SKFOH3968H SKFPFD13/16FM SKFRNA4922 SKFS7011CD/P4A SKFYAR212-207-2FW/VA228

23160CCK/W33+OH3160H*球面滚子轴承近似的SKF轴承型号

SKF23160CCK/W33* SKF23160CCK/W33+OH3160H* SKF23160-2CS5K/VT143* SKF23160-2CS5/VT143* SKF23160CCK/W33+AOH3160G* SKF23160CC/W33* SKF23160CCK/W33+AOH3160G* SKF23160CC/W33

用户关注最多的轴承狗热门型号

NSK  7920CDF STEYR  NJ2320E SKF  GEC1000FBAS KOYO  23164RK+AH3164 SKF  CR4996 国产  NU424M NSK  RLM1212 SKF  6204/HR22T2 INA  KBZ08-PP RHP  7003AC NSK  7210BWDB FAG  SNV160-L + 21315-E1-K + H315X210 + TCV615X210 TIMKEN  K7X10X8TN NSK  60BTR10H FAG  BND2228-H-C-Y-AF-S

版权所有©2009-2015 轴承狗zcgou.com ICP备案:津ICP备14004550号-13