SKF2313K+H2313轴承详细参数

发布时间:2026-04-15
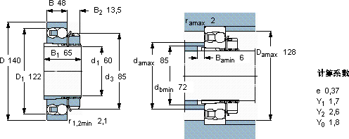
自调心球轴承, 带紧定套, 无密封件
主要数据尺寸 基本负荷额定值 疲劳负荷限值 额定速度 体积 型号
动态 静态 参照速度 限制速度 轴承 + 紧定套
d1 D B C C0 Pu
mm kN kN r/min kg -
601404895,632,51,66900063003,602313 K + H 2313

SKF2313K+H2313自调心球轴承供应商

八零动力专业销售2313K+H2313自调心球轴承,库存SKF2313K+H2313大量现货,与SKF合作,咨询热线:022-58519723业务咨询
SKF2313K+H2313转动不停歇精准承载该轴承的性能卓越,完全满足了各种严苛工况的需求它的材质选择,体现了对耐用性的极致追求 承载未来它在机床设备中的应用,确保了加工精度 ,八零动力SKF自调心球轴承品种全,价格优,质量有保证!

用户关注最多的SKF轴承型号

SKF15101/15245 SKF7006AC/DF SKF71944ACD/P4A SKFBT4B330650E/C500* SKFC3152K+OH3152HTL* SKFCR13720 SKFCR21X35X7HMS5V SKFCR524230 SKFCR87500 SKFFY1.RM SKFNUP2218ECP SKFOKBS136 SKFS7019ACD/P4A SKFTU1.3/4WF SKFTU1.TF

2313K+H2313自调心球轴承近似的SKF轴承型号

SKF2313K SKF2313 SKF2313M SKF2313K+H2313 SKF2313K+H2313 SKF2313M

用户关注最多的轴承狗热门型号

SKF  K45x53x20 SKF  3313 LYC  6309 E-2RZ/C3Z2 NSK  7320BDB SKF  CR64998 SKF  CR12456 KOYO  7201B/DF NTN  NU2219E SKF  7036C/DB FAG  HS7007-C-T-P4S KOYO  51309 NTN  1208K LYC  FCD 76108400/C4 TIMKEN  33895/33820-B LYC  23176/W33

版权所有©2009-2015 轴承狗zcgou.com ICP备案:津ICP备14004550号-13