SKF23130CC/W33*轴承详细参数

发布时间:2026-05-29
球面滚子轴承, 圆柱和圆锥孔, 圆柱型内孔, 无密封件
主要数据尺寸 基本负荷额定值 疲劳负荷限值 额定速度 体积 型号
动态 静态 参照速度 限制速度
d D B C C0 Pu * - SKF Explorer 轴承
mm kN kN r/min kg -
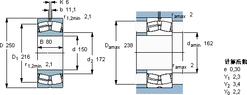
1502508083012001142000260016,023130 CC/W33 *

SKF23130CC/W33*球面滚子轴承供应商

八零动力专业销售23130CC/W33*球面滚子轴承,库存SKF23130CC/W33*大量现货,与SKF合作,咨询热线:022-58519723业务咨询
SKF23130CC/W33*要设备更出色它的长寿命,减少了更换频率 高精度的制造工艺,造就了这款高品质的轴承它的精密设计,展现了人类智慧的巅峰 它的尺寸精度,达到了微米级的极致 是您值得信赖的工业伙伴,为您的机械保驾护航,八零动力SKF球面滚子轴承品种全,价格优,质量有保证!

用户关注最多的SKF轴承型号

SKF2x7309BECBM* SKF32213J2/Q SKF71902ACD/P4A SKF7213BECBP SKFC39/800KMB* SKFCR55X68X8HMSA10RG SKFCR90241 SKFCR91202 SKFHK1616.2RS SKFHN4520 SKFNNCF5044CV SKFRN-1x7.8BF/G2 SKFSAF22622x3.13/16 SKFSNL3088F SKFZW70x80

23130CC/W33*球面滚子轴承近似的SKF轴承型号

SKF23130CCK/W33* SKF23130CC/W33* SKF23130-2CS5/VT143* SKF23130-2CS5K/VT143* SKF23130CCK/W33+AHX3130G* SKF23130CCK/W33+H3130 SKF23130CC/W33 SKF23132-2CS5/VT143*

用户关注最多的轴承狗热门型号

TIMKEN  280RU51 NTN  NA4856 FYH  UCFC205 NTN  6013-RZ LYC  752732QTK/02 NACHI  54316 INA  IR25X32X22 LYC  133.30.2130.03 TIMKEN  29488 LYC  6008 E/P63 FAG  H240/670-HG NSK  60BNR20XV1V SKF  FYR3.7/16-3 SKF  NJ2234E+HJ2234E STEYR  6326

版权所有©2009-2015 轴承狗zcgou.com ICP备案:津ICP备14004550号-13