SKF2312K+H2312轴承详细参数

发布时间:2026-04-14
自调心球轴承, 带紧定套, 无密封件
主要数据尺寸 基本负荷额定值 疲劳负荷限值 额定速度 体积 型号
动态 静态 参照速度 限制速度 轴承 + 紧定套
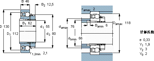
d1 D B C C0 Pu
mm kN kN r/min kg -
551304687,128,51,46950070002,952312 K + H 2312

SKF2312K+H2312自调心球轴承供应商

八零动力专业销售2312K+H2312自调心球轴承,库存SKF2312K+H2312大量现货,与SKF合作,咨询热线:022-58519723业务咨询
SKF2312K+H2312它的轻量化设计,减少了材料的使用 制造工艺精湛,使得这款轴承的精度和稳定性都非常出色让您的机械如虎添翼,成就非凡转动体验让您的设备一顺到底,它在冶金设备中的应用,确保了设备的高温性能 它在食品机械中的应用,展现了它的卫生性能 ,八零动力SKF自调心球轴承品种全,价格优,质量有保证!

用户关注最多的SKF轴承型号

SKF25880/25820/Q SKF305701C-2Z SKF511/1400JR SKF6310-2Z/VA228 SKF71938ACD/P4A SKFBC4B326853/HB1 SKFC4036K30V* SKFCR79998 SKFMB26 SKFNCF2924CV SKFNU316ECP SKFPCZ2616M SKFYAR220-2F SKFSIKAC5M/VZ019 SKFSY1.1/4ATF

2312K+H2312自调心球轴承近似的SKF轴承型号

SKF2312K SKF2312K+H2312 SKF2312 SKF2312M SKF2312K+H2312 SKF2312M

用户关注最多的轴承狗热门型号

STEYR  NU424 TIMKEN  M270449DA/M270410 FAG  SNV160-L + 1315-K-M-C3 + H315X207 + DHV615X207 TORRINGTON  22334CC/W33 TIMKEN  HM256849D/HM256810/HM256810EA NTN  22332CCK/W33 FAG  32315-B NSK  6301T1XZZ NACHI  6020ZNR NACHI  3781/3730 TIMKEN  H715341/H715310-B SKF  WS81260 国产  NK85/25 FLT  NU1060 SKF  23292CAK/W33+OH3292H*

版权所有©2009-2015 轴承狗zcgou.com ICP备案:津ICP备14004550号-13