SKF23122CCK/W33+H3122*轴承详细参数

发布时间:2026-05-03
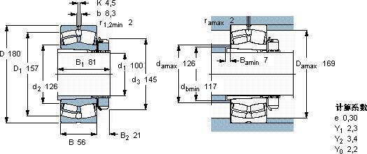
球面滚子轴承, 带紧定套的
主要数据尺寸 基本负荷额定值 疲劳负荷限值 额定速度 体积 型号
动态 静态 参照速度 限制速度 轴承 + 紧定套
d1 D B C C0 Pu
* - SKF Explorer 轴承
mm kN kN r/min kg -
1001805643058561280036007,7023122 CCK/W33 + H 3122 *

SKF23122CCK/W33+H3122*球面滚子轴承供应商

八零动力专业销售23122CCK/W33+H3122*球面滚子轴承,库存SKF23122CCK/W33+H3122*大量现货,与SKF合作,咨询热线:022-58519723业务咨询
SKF23122CCK/W33+H3122*高精度低摩擦从制造工艺到实际性能,这款轴承都表现得十分出色,该轴承的性能卓越,完全满足了各种严苛工况的需求它的精密制造工艺,让人叹为观止 这轴承的设计巧妙,充分考虑了设备的运行需求和维护便利性这款轴承的性能卓越,有效提高了设备的运行可靠性,八零动力SKF球面滚子轴承品种全,价格优,质量有保证!

用户关注最多的SKF轴承型号

SKF23080CACK/W33 SKF6018-2RS SKF7021AC SKFCR100X140X12HMSA10V SKFCR14840 SKFCR40X68X8HMSA10RG SKFCR524364 SKFCR55x90x8CRW1R SKFNU1014ECP SKFNU1088MA SKFRNA4826 SKFRNA6908 SKFSIL25ES SKFTU1.3/8WF SKFTU1.TF

23122CCK/W33+H3122*球面滚子轴承近似的SKF轴承型号

SKF23122-2CS5/VT143* SKF23122CC/W33* SKF23122CCK/W33+AHX3122* SKF23122CCK/W33* SKF23122CCK/W33+H3122* SKF23122-2CS5K/VT143* SKF23122CCK/W33+AHX3122* SKF23122CC/W33

用户关注最多的轴承狗热门型号

FAG  SNV170-L + 1316-K-M-C3 + H316X214 + FSV616X214 NACHI  51212 ASK  NUP203 SKF  SNL3096GL SKF  PCM404420M TORRINGTON  22315CC/W33 NACHI  24140EW33 FAG  6200-2Z SKF  2x708/500AGMB TIMKEN  39236/39412-B SKF  6207-2RS KOYO  22FC18120 LYC  6202 E-Z/C3 国产  6011-RS SKF  K220x230x42

版权所有©2009-2015 轴承狗zcgou.com ICP备案:津ICP备14004550号-13