SKF2310K+H2310轴承详细参数

发布时间:2026-04-15
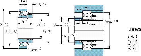
自调心球轴承, 带紧定套, 无密封件
主要数据尺寸 基本负荷额定值 疲劳负荷限值 额定速度 体积 型号
动态 静态 参照速度 限制速度 轴承 + 紧定套
d1 D B C C0 Pu
mm kN kN r/min kg -
451104063,7201,041400095001,902310 K + H 2310

SKF2310K+H2310自调心球轴承供应商

八零动力专业销售2310K+H2310自调心球轴承,库存SKF2310K+H2310大量现货,与SKF合作,咨询热线:022-58519723业务咨询
SKF2310K+H2310卓越的性能表现,让这款轴承在市场上脱颖而出它的加工精度,确保了机械运转的稳定性 是您设备高效运转的可靠伙伴,它的承载能力,堪称机械界的“大力士” 它的多样化应用,展现了它的无限可能 这款轴承的精度极高,能够满足对精度要求苛刻的设备,八零动力SKF自调心球轴承品种全,价格优,质量有保证!

用户关注最多的SKF轴承型号

SKF2208E-2RS1TN9 SKF32236T196J2/DB32 SKF52306 SKF6002-2RSL* SKF61911-2RZ SKF6216-RS1* SKF812/900M SKFCR21203 SKFCR280x320x19.05HS8R SKFCR401805 SKFCR75x100x10CRW1V SKFNJ2214ECP* SKFOKBS124 SKFSY1.1/4TR SKFTUL20TR/VE495

2310K+H2310自调心球轴承近似的SKF轴承型号

SKF2310 SKF2310E-2RS1TN9 SKF2310K+H2310 SKF2310K SKF2310M SKF2310K+H2310 SKF2310M

用户关注最多的轴承狗热门型号

SKF  316351CB NSK  22340CAME4 BARDEN  7201AC/DT STEYR  6003-Z STEYR  7317B/DT 国产  23140C/W33 TIMKEN  EE420750D/421437 SKF  CR30X50X8HMS5RG NSK  NU2210W 国产  LBE16-OPA TIMKEN  AOH3138 NSK  7919CDT NSK  696 NTN  239/900 IKO  GBRI122412

版权所有©2009-2015 轴承狗zcgou.com ICP备案:津ICP备14004550号-13