SKF22352CCK/W33+OH2352H*轴承详细参数

发布时间:2026-04-29
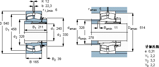
球面滚子轴承, 带紧定套的
主要数据尺寸 基本负荷额定值 疲劳负荷限值 额定速度 体积 型号
动态 静态 参照速度 限制速度 轴承 + 紧定套
d1 D B C C0 Pu
* - SKF Explorer 轴承
mm kN kN r/min kg -
24054016535504550325850110021522352 CCK/W33 + OH 2352 H *

SKF22352CCK/W33+OH2352H*球面滚子轴承供应商

八零动力专业销售22352CCK/W33+OH2352H*球面滚子轴承,库存SKF22352CCK/W33+OH2352H*大量现货,与SKF合作,咨询热线:022-58519723业务咨询
SKF22352CCK/W33+OH2352H*从制造工艺到实际性能,这款轴承都表现得十分出色,它的精密设计,展现了人类智慧的巅峰 这轴承的制造工艺精湛,展现出了极高的工业水准它在建筑机械中的应用,确保了设备的可靠性 它的精密制造工艺,让人叹为观止 承载重托,八零动力SKF球面滚子轴承品种全,价格优,质量有保证!

用户关注最多的SKF轴承型号

SKF22218CCK/W33+H318 SKF238/1180CAFA/W20 SKF33115/Q SKF6028-2RS SKF634-2RS1 SKF7005ACD/P4A SKF71918CD/P4A SKFBCS-8000 SKFC3980KM+OH3980HE* SKFNJ2224ECM* SKFNNCF5032CV SKFNNU41/630M/W33 SKFRPNA28/44 SKFSDAF23168KAx12.7/16 SKFSNL316TURU

22352CCK/W33+OH2352H*球面滚子轴承近似的SKF轴承型号

SKF22352CCK/W33+OH2352H* SKF22352CCK/W33* SKF22352CCK/W33+AOH2352G* SKF22352CC/W33* SKF22352CCK/W33+AOH2352G* SKF22352CC/W33

用户关注最多的轴承狗热门型号

INA  RWS1808-200/x200/x18 LYC  23218 C/W33 NSK  7220ADF STEYR  6002-2Z RHP  71940C SKF  PFT1.RM 国产  32956 SKF  QJ211 TIMKEN  T301X SKF  N2319 TORRINGTON  23148CCK/W33 NTN  K15×19×13 国产  3203A-RSTN1 NTN  24072B IKO  LME254058NFUU

版权所有©2009-2015 轴承狗zcgou.com ICP备案:津ICP备14004550号-13