SKF22336CCK/W33+H2336*轴承详细参数

发布时间:2026-04-26
球面滚子轴承, 带紧定套的
主要数据尺寸 基本负荷额定值 疲劳负荷限值 额定速度 体积 型号
动态 静态 参照速度 限制速度 轴承 + 紧定套
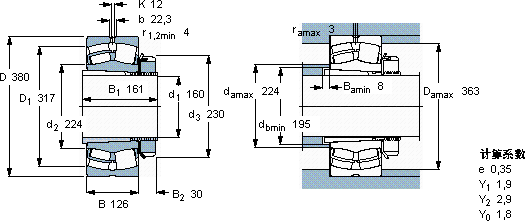
d1 D B C C0 Pu
* - SKF Explorer 轴承
mm kN kN r/min kg -
160380126200024501931300170080,022336 CCK/W33 + H 2336 *

SKF22336CCK/W33+H2336*球面滚子轴承供应商

八零动力专业销售22336CCK/W33+H2336*球面滚子轴承,库存SKF22336CCK/W33+H2336*大量现货,与SKF合作,咨询热线:022-58519723业务咨询
SKF22336CCK/W33+H2336*让工作更高效,设计合理、性能优良的轴承,是机械设备的理想之选它的长寿命,减少了资源浪费 这款轴承的性能卓越,有效提升了设备的整体性能和可靠性它的精密测量技术,确保了每一件产品的品质 为设备的精确运行提供了保障,该轴承的精度控制精准,为设备的精确运行提供了保障,八零动力SKF球面滚子轴承品种全,价格优,质量有保证!

用户关注最多的SKF轴承型号

SKF2208E-2RS1KTN9 SKF23280CAK/W33* SKF23972CCK/W33+OH3972H* SKF5201A-2ZTN9 SKF71909CD/P4A SKF7200ACD/HCP4A SKFAOH3260G SKFC39/530KM+OH39/530HE* SKFMS30/950 SKFNNU4856/W33 SKFPCMS1005002.0B SKFSILKAC10M SKFSNW3036x6.1/2 SKFYAR205-015-2F/AH SKFYAR205-2RF/W64

22336CCK/W33+H2336*球面滚子轴承近似的SKF轴承型号

SKF22336CCK/W33* SKF22336CCJA/W33VA406* SKF22336CCJA/W33VA405* SKF22336CCKJA/W33VA405* SKF22336CC/W33* SKF22336CCK/W33+H2336* SKF22336CCK/W33+AH2336G* SKF22336CCK/W33+AH2336G* SKF22336CC/W33

用户关注最多的轴承狗热门型号

SKF  708CD/P4A LYC  FC 5274220/P6 SKF  CR6204 RHP  6312-2Z NTN  6030-2RS SKF  71918CD/HCP4A LYC  30651 国产  NAOL4971X3 TIMKEN  DV-125 SKF  6212-2Z/VA228 TIMKEN  72200C/72487 NSK  7217BDT NSK  7302BWDT FAG  H222X314 SKF  NU2244ECMA

版权所有©2009-2015 轴承狗zcgou.com ICP备案:津ICP备14004550号-13