SKF22332-2CS5/VT143*轴承详细参数

发布时间:2026-04-14
球面滚子轴承, 圆柱和圆锥孔, 圆柱型内孔, 两面密封件
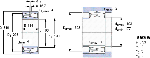
主要数据尺寸 基本负荷额定值 疲劳负荷限值 额定速度 体积 型号
动态 静态 参照速度 限制速度
d D B C C0 Pu * - SKF Explorer 轴承
mm kN kN r/min kg -
16034011416001960160-3805222332-2CS5/VT143 *

SKF22332-2CS5/VT143*球面滚子轴承供应商

八零动力专业销售22332-2CS5/VT143*球面滚子轴承,库存SKF22332-2CS5/VT143*大量现货,与SKF合作,咨询热线:022-58519723业务咨询
SKF22332-2CS5/VT143*它在风力发电中的应用,为清洁能源贡献力量 它在建筑机械中的应用,确保了设备的可靠性 它的可靠性,赢得了无数工程师的信任 它在冶金设备中的应用,确保了设备的高温性能 它的精密设计,展现了人类智慧的巅峰 先进的生产工艺,让这款轴承的性能得到了极大提升,八零动力SKF球面滚子轴承品种全,价格优,质量有保证!

用户关注最多的SKF轴承型号

SKF211NR SKF22232CC/W33* SKF22336CCK/W33+H2336 SKF23992CA/W33 SKF31320XJ2/CL7CVQ051 SKF6015-2Z* SKF625/HR11TN SKF618/1180MB SKFBGSB358371 SKFCR55X72X8HMSA10V SKFFY1.3/8FM SKFFYR2.1/2-3 SKFNUP2226E SKFSYF40TF SKFSYL40TH

22332-2CS5/VT143*球面滚子轴承近似的SKF轴承型号

SKF22332CCK/W33+H2332* SKF22332-2CS5/VT143* SKF22332CCK/W33+AH2332G* SKF22332CCKJA/W33VA405* SKF22332-2CS5K/VT143* SKF22332CCK/W33* SKF22332CCJA/W33VA406* SKF22332CCJA/W33VA405* SKF22332CC/W33* SKF22332-2CS5K/VT143* SKF22332CCJA/W33VA405

用户关注最多的轴承狗热门型号

SKF  NCF28/800V SKF  CR58760 NACHI  6313ZE TIMKEN  TTU-100-30 KOYO  NN3021K BARDEN  7228C/DF FAG  SNV080-L + 21307-E1-K-TVPB + H307X103 + DH607 INA  RNAO80X100X30 NACHI  47686/47620 SKF  6204NR* SKF  C39/850M* STEYR  3307 TIMKEN  567A/563 MRC  N205 IKO  NA4910

版权所有©2009-2015 轴承狗zcgou.com ICP备案:津ICP备14004550号-13