SKF22330-2CS5/VT143*轴承详细参数

发布时间:2026-05-30
球面滚子轴承, 圆柱和圆锥孔, 圆柱型内孔, 两面密封件
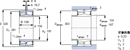
主要数据尺寸 基本负荷额定值 疲劳负荷限值 额定速度 体积 型号
动态 静态 参照速度 限制速度
d D B C C0 Pu * - SKF Explorer 轴承
mm kN kN r/min kg -
15032010814601760146-40043,522330-2CS5/VT143 *

SKF22330-2CS5/VT143*球面滚子轴承供应商

八零动力专业销售22330-2CS5/VT143*球面滚子轴承,库存SKF22330-2CS5/VT143*大量现货,与SKF合作,咨询热线:022-58519723业务咨询
SKF22330-2CS5/VT143*顺滑无声轴承的选材优质,确保了其在各种环境下都能稳定工作它的可靠性,赢得了无数用户的信赖 机械的心脏其设计和制造工艺都达到了国际先进水平,是一款优质轴承转动不停歇,八零动力SKF球面滚子轴承品种全,价格优,质量有保证!

用户关注最多的SKF轴承型号

SKF1982F/1924A/QVQ519 SKF230/500CAK/W33* SKF241/900ECAK30F/W33+AOH241/900 SKF314-2Z SKF32038T146X/DBC220 SKF6207-ZNR* SKF7004CD/P4A SKFCR155X180X15HMSA10RG SKFCR25x37x7CRW1V SKFCR42475 SKFHS210 SKFNU1022ML SKFNU214ECP SKFNU2213ECJ* SKFPFD1.1/2TF

22330-2CS5/VT143*球面滚子轴承近似的SKF轴承型号

SKF22330-2CS5/VT143* SKF22330CCK/W33* SKF22330CC/W33* SKF22330-2CS5K/VT143* SKF22330CCKJA/W33VA405* SKF22330CCJA/W33VA405* SKF22330CCK/W33+AHX2330G* SKF22330CCK/W33+H2330* SKF22330CCJA/W33VA406* SKF22330-2CS5K/VT143* SKF22330CCJA/W33VA405

用户关注最多的轴承狗热门型号

DKF  7032AC INA  CSCF140 ASK  NUP238 TIMKEN  160RT93 国产  6215-ZN NTN  24060BK30 NSK  7207CDT RHP  7209C NSK  55TMP93 LYC  NJ 310 M/P5 DKF  7304B/DB SKF  16100-2Z IKO  TLAM3512 IKO  LRB61012 IKO  CRWU100-160R

版权所有©2009-2015 轴承狗zcgou.com ICP备案:津ICP备14004550号-13