SKF22328-2CS5/VT143*轴承详细参数

发布时间:2026-05-30
球面滚子轴承, 圆柱和圆锥孔, 圆柱型内孔, 两面密封件
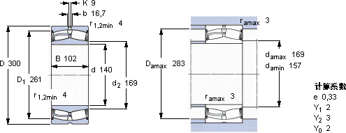
主要数据尺寸 基本负荷额定值 疲劳负荷限值 额定速度 体积 型号
动态 静态 参照速度 限制速度
d D B C C0 Pu * - SKF Explorer 轴承
mm kN kN r/min kg -
14030010212901560132-43036,522328-2CS5/VT143 *

SKF22328-2CS5/VT143*球面滚子轴承供应商

八零动力专业销售22328-2CS5/VT143*球面滚子轴承,库存SKF22328-2CS5/VT143*大量现货,与SKF合作,咨询热线:022-58519723业务咨询
SKF22328-2CS5/VT143*它在纺织机械中的应用,确保了设备的高速运转 它的故障率极低,确保了设备的稳定运行 它的高效率,让机械运转更加节能 高品质的轴承,在各种复杂工况下都能展现出卓越的性能表现该轴承的性能优越,极大地提高了设备的工作效率引领转动新潮流,,八零动力SKF球面滚子轴承品种全,价格优,质量有保证!

用户关注最多的SKF轴承型号

SKF22338CCK/W33* SKF5218E SKF7002C/DB SKFAOHX32/500G SKFBT4B329010G/HA1VA901 SKFCR22644 SKFCR45X75X10CRSH1R SKFCR550218 SKFCR98445 SKFK25x31x21 SKFNN3088K/W33 SKFRNA4868 SKFS71917CD/HCP4A SKFT7FC080T98/QCL7CDTC20 SKFUELFU209

22328-2CS5/VT143*球面滚子轴承近似的SKF轴承型号

SKF22328CCK/W33* SKF22328CCJA/W33VA406* SKF22328CC/W33* SKF22328CCK/W33+AHX2328G* SKF22328-2CS5/VT143* SKF22328-2CS5K/VT143* SKF22328CCK/W33+H2328* SKF22328CCKJA/W33VA405* SKF22328CCJA/W33VA405* SKF22328-2CS5K/VT143* SKF22328CCJA/W33VA405

用户关注最多的轴承狗热门型号

SKF  CR24263 SKF  NU218ECML* LYC  241/560 CA/W33 YB TIMKEN  34301 /34481-B SKF  SY1.15/16FM SKF  YET205-015 TIMKEN  442-S /432AB NSK  NU430M NTN  4T-30308C FAG  SNV062-L + 22206-E1-K + H306 + DHV506 国产  23036 SKF  JM738249/210 NTN  7224C/DF TIMKEN  M757447D/M757410/M757410EA LYC  6207 E-2Z/C3Z1

版权所有©2009-2015 轴承狗zcgou.com ICP备案:津ICP备14004550号-13