

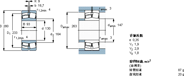
| 球面滚子轴承, 圆柱和圆锥孔, 圆柱型内孔, 用于振动场合 | ||||||||||
| 主要数据尺寸 | 基本负荷额定值 | 疲劳负荷限值 | 额定速度 | 体积 | 型号 | |||||
| 动态 | 静态 | 参照速度 | 限制速度 | |||||||
| d | D | B | C | C0 | Pu | * - SKF Explorer 轴承 | ||||
| mm | kN | kN | r/min | kg | - | |||||
| 130 | 280 | 93 | 1120 | 1320 | 114 | 1800 | 2400 | 29,0 | 22326 CCJA/W33VA406 * | |
版权所有©2009-2015 轴承狗zcgou.com ICP备案:津ICP备14004550号-13