SKF22324CCJA/W33VA406*轴承详细参数

发布时间:2026-04-13
球面滚子轴承, 圆柱和圆锥孔, 圆柱型内孔, 用于振动场合
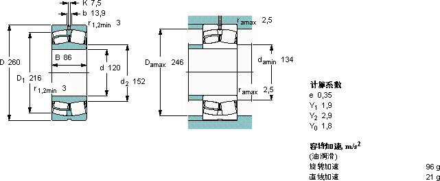
主要数据尺寸 基本负荷额定值 疲劳负荷限值 额定速度 体积 型号
动态 静态 参照速度 限制速度
d D B C C0 Pu * - SKF Explorer 轴承
mm kN kN r/min kg -
1202608696511201002000260023,022324 CCJA/W33VA406 *

SKF22324CCJA/W33VA406*球面滚子轴承供应商

八零动力专业销售22324CCJA/W33VA406*球面滚子轴承,库存SKF22324CCJA/W33VA406*大量现货,与SKF合作,咨询热线:022-58519723业务咨询
SKF22324CCJA/W33VA406*它的品质卓越,是提升机械设备整体性能的关键所在它在包装机械中的应用,确保了设备的高效率 它在医疗设备中的应用,确保了设备的稳定性 它在汽车工业中的应用,让车辆运行更加平稳 轴承的耐用性极佳,能够承受高强度的工作负荷质量上乘的轴承,为设备的高效稳定运行奠定了基础,八零动力SKF球面滚子轴承品种全,价格优,质量有保证!

用户关注最多的SKF轴承型号

SKF23040CCK/W33 SKF2x7084BGM SKF32012X/QCL7CDFC250 SKF6215-RS SKF71932AC SKF7224C/DF SKFC2210KV+H310E* SKFC2214KTN9+AH314G* SKFCR13536 SKFFYR3.11/16-3 SKFNNU41/950K30M/W33 SKFNU2226ECP SKFSILA80TXE-2LS SKFZ007 SKFZW60x68

22324CCJA/W33VA406*球面滚子轴承近似的SKF轴承型号

SKF22324CCK/W33+AHX2324G* SKF22324CCK/W33* SKF22324-2CS5/VT143* SKF22324CCJA/W33VA406* SKF22324CCKJA/W33VA405* SKF22324CCJA/W33VA405* SKF22324CCK/W33+H2324* SKF22324CC/W33* SKF22324-2CS5K/VT143* SKF22324CCJA/W33VA405* SKF22324CCKJA/W33VA405*

用户关注最多的轴承狗热门型号

SKF  HMV66E FAG  2308-2RS-TVH NACHI  NJ224E SKF  NU10/630ECMA/HA2 NSK  23192CAKE4 LYC  BFC 5272200/P53/外组件 SKF  SYK30TR STEYR  NUP221E NTN  NUP224 SKF  GS81128 RIV  N418 LYC  29348 INA  VSI200414-N SKF  YAR213-208-2F KOYO  23288CACK/W33

版权所有©2009-2015 轴承狗zcgou.com ICP备案:津ICP备14004550号-13