SKF22317EK+AHX2317*轴承详细参数

发布时间:2026-04-14
球面滚子轴承, 带退卸套的
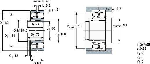
主要数据尺寸 基本负荷额定值 疲劳负荷限值 额定速度 体积 型号
动态 静态 参照速度 限制速度 轴承 +退卸套
d1 D B C C0 Pu
* - SKF Explorer 轴承
mm kN kN r/min kg -
801806055062061280038008,1522317 EK + AHX 2317 *

SKF22317EK+AHX2317*球面滚子轴承供应商

八零动力专业销售22317EK+AHX2317*球面滚子轴承,库存SKF22317EK+AHX2317*大量现货,与SKF合作,咨询热线:022-58519723业务咨询
SKF22317EK+AHX2317*它的材质选择,体现了对品质的极致追求 它的润滑技术,减少了润滑剂的使用 每一次旋转,都是品质的见证,性能优越的轴承,极大地提升了设备的工作性能和效率它的耐磨性能,让它在恶劣环境下依然稳定运行 它在建筑机械中的应用,确保了设备的可靠性 ,八零动力SKF球面滚子轴承品种全,价格优,质量有保证!

用户关注最多的SKF轴承型号

SKF22320EK* SKF23120CCK/W33 SKF240/800ECA/W33 SKF6214-2RS1* SKF6219-2Z/VA201 SKF7000CD/HCP4A SKF71904C/DT SKFBFSB353210 SKFC3052* SKFCR150X200X15CRSH1R SKFCR3060 SKFFYR2.3/4-3 SKFFYR3.11/16-3 SKFNU1030ML SKFPL68

22317EK+AHX2317*球面滚子轴承近似的SKF轴承型号

SKF22317EJA/VA405* SKF22317EKJA/VA405* SKF22317EK+H2317* SKF22317E* SKF22317EJA/VA406* SKF22317EK* SKF22317EK+AHX2317* SKF22317EKJA/VA405* SKF22317EK+H2317*

用户关注最多的轴承狗热门型号

NSK  7315BWDB NACHI  7305DF RHP  NU303 SKF  NKX30 FAG  BND2276-H-C-Y-BL-S SKF  321489 GMN  7002AC SNR  6309-2Z NACHI  SN228 国产  6010-Z FYH  UKFU315+H2315 TIMKEN  41100/41286 NACHI  5305N 国产  7203CETA TIMKEN  EE291201/291751CD/X1S-291201

版权所有©2009-2015 轴承狗zcgou.com ICP备案:津ICP备14004550号-13