SKF22272CA/W33*轴承详细参数

发布时间:2026-05-25
球面滚子轴承, 圆柱和圆锥孔, 圆柱型内孔, 无密封件
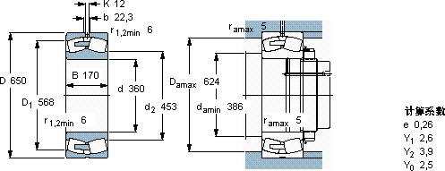
主要数据尺寸 基本负荷额定值 疲劳负荷限值 额定速度 体积 型号
动态 静态 参照速度 限制速度
d D B C C0 Pu * - SKF Explorer 轴承
mm kN kN r/min kg -
3606501704300620044063085025522272 CA/W33 *

SKF22272CA/W33*球面滚子轴承供应商

八零动力专业销售22272CA/W33*球面滚子轴承,库存SKF22272CA/W33*大量现货,与SKF合作,咨询热线:022-58519723业务咨询
SKF22272CA/W33*质量上乘的轴承,为设备的高效稳定运行奠定了基础顺滑无声稳定的传奇卓越的性能表现,让这款轴承在市场上脱颖而出它在机床设备中的应用,确保了加工精度 它的耐用性,赢得了无数用户的信赖 ,八零动力SKF球面滚子轴承品种全,价格优,质量有保证!

用户关注最多的SKF轴承型号

SKF23218CC/W33* SKF511/750M SKF6001-Z* SKF7008C SKF71908DB/P7 SKFCR10X26X7HMSA10RG SKFCR16842 SKFCR250X285X15HMSA10V SKFCR25X62X7HMS5RG SKFCR87789 SKFNCF3030CV SKFNJ204E SKFSAF22532x5.3/8 SKFYAR204-2FW/VA201 SKFYAR208-108-2RF

22272CA/W33*球面滚子轴承近似的SKF轴承型号

SKF22272CAK/W33* SKF22272CAK/W33+OH3172H* SKF22272CAK/W33+AOH3172G* SKF22272CA/W33* SKF22252CACK/W33+H3152 SKF22308CCK/W33

用户关注最多的轴承狗热门型号

LYC  014.30.560.12 SKF  AHX2317 NSK  7004ADT MAC  NJ2226 SNR  3212 SKF  BT4B332642/HA1 STEYR  1313K+H313 LYC  NJ 307 EV/C4 SKF  71811ACD/P4 STEYR  6314-2RS INA  KBO12 国产  6003E NACHI  HH224335/HH224310 IKO  TLA1712Z IKO  BHAM2210

版权所有©2009-2015 轴承狗zcgou.com ICP备案:津ICP备14004550号-13