

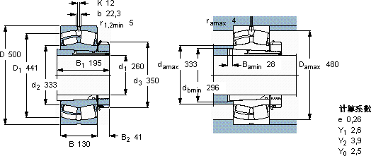
| 球面滚子轴承, 带紧定套的 | ||||||||||
| 主要数据尺寸 | 基本负荷额定值 | 疲劳负荷限值 | 额定速度 | 体积 | 型号 | |||||
| 动态 | 静态 | 参照速度 | 限制速度 | 轴承 + 紧定套 | ||||||
| d1 | D | B | C | C0 | Pu | |||||
| * - SKF Explorer 轴承 | ||||||||||
| mm | kN | kN | r/min | kg | - | |||||
| 260 | 500 | 130 | 2700 | 3750 | 300 | 1100 | 1500 | 135 | 22256 CCK/W33 + OH 3156 H * | |
版权所有©2009-2015 轴承狗zcgou.com ICP备案:津ICP备14004550号-13