SKF2222KM+H322轴承详细参数

发布时间:2026-05-30
自调心球轴承, 带紧定套, 无密封件
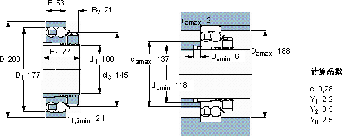
主要数据尺寸 基本负荷额定值 疲劳负荷限值 额定速度 体积 型号
动态 静态 参照速度 限制速度 轴承 + 紧定套
d1 D B C C0 Pu
mm kN kN r/min kg -
10020053124522,12600043008,852222 KM + H 322

SKF2222KM+H322自调心球轴承供应商

八零动力专业销售2222KM+H322自调心球轴承,库存SKF2222KM+H322大量现货,与SKF合作,咨询热线:022-58519723业务咨询
SKF2222KM+H322不得不说,这款轴承的品质过硬,在行业内堪称典范,它在纺织机械中的应用,确保了设备的高速运转 精湛的工艺打造出的轴承,精度和稳定性都令人称赞质量无可比拟的轴承,在行业内树立了良好的品质标杆它的精密设计,展现了人类智慧的巅峰 它在建筑机械中的应用,确保了设备的可靠性 ,八零动力SKF自调心球轴承品种全,价格优,质量有保证!

用户关注最多的SKF轴承型号

SKF16003/HR11TN SKF230/800CAK/W33* SKF23244CCK/W33+AOH2344* SKF3200A-2RS1 SKF7236AC/DT SKF81238 SKFCR18679 SKFCR400x460x28HDSA2RD SKFCR38X62X10HMSA10RG SKFCRMVR2-70 SKFHA3036x6.5/16 SKFK60x66x33ZW SKFS7008ACD/HCP4A SKFSIQG25ES SKFW6001

2222KM+H322自调心球轴承近似的SKF轴承型号

SKF2222 SKF2222M SKF2222KM+H322 SKF2222M/W64 SKF2222KM SKF2222KM SKF2222M

用户关注最多的轴承狗热门型号

INA  IR50X60X25 INA  GETR-50-SCHN-95/115-PF-i KOYO  3308A-RS 国产  NJ222ETN1 KOYO  2204 SKF  6311-2RS LYC  6307 E-2RZ/P4 ASAHI  UCFC211 LYC  NN 3072 K RHP  NU2330 SKF  OKCX380 BARDEN  71911C/DT NSK  NN3026 NTN  23240BK+H2340 RHP  7240B/DT

版权所有©2009-2015 轴承狗zcgou.com ICP备案:津ICP备14004550号-13