SKF22222EK+H322*轴承详细参数

发布时间:2026-04-14
球面滚子轴承, 带紧定套的
主要数据尺寸 基本负荷额定值 疲劳负荷限值 额定速度 体积 型号
动态 静态 参照速度 限制速度 轴承 + 紧定套
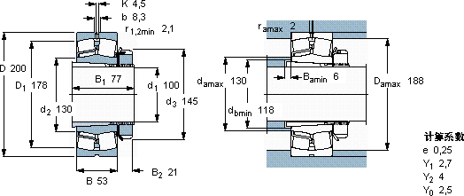
d1 D B C C0 Pu
* - SKF Explorer 轴承
mm kN kN r/min kg -
1002005356064063300040008,9022222 EK + H 322 *

SKF22222EK+H322*球面滚子轴承供应商

八零动力专业销售22222EK+H322*球面滚子轴承,库存SKF22222EK+H322*大量现货,与SKF合作,咨询热线:022-58519723业务咨询
SKF22222EK+H322*它的精密装配,确保了整体性能的卓越 这款轴承的稳定性极佳,在长时间运行中也能保持良好状态它的质量过硬,为机械设备的高效、安全运行提供了保障轴承的耐用性极佳,为设备的长期稳定运行提供了保障它的可靠性,赢得了无数工程师的信任 高精度的制造工艺,让这款轴承的性能更加出色,八零动力SKF球面滚子轴承品种全,价格优,质量有保证!

用户关注最多的SKF轴承型号

SKF25877/2/25821/2/Q SKF29452E* SKF7007ACE/P4A SKF71908ACE/P4A SKFAH2332/140G SKFBSD2562CG SKFBT2B332625 SKFBT4B332959/HA4 SKFC31/600KMB+AOHX31/600* SKFCR130X155X10CRSH1R SKFCR130X180X15CRSH13R SKFHK1616.2RS SKFMB5A SKFSA25C SKFSI40TXE-2LS

22222EK+H322*球面滚子轴承近似的SKF轴承型号

SKF22222EK+H322* SKF22222EK+AHX3122* SKF22222EK* SKF22222E* SKF22222E/W64* SKF22222EK+AHX3122* SKF22222E/W64*

用户关注最多的轴承狗热门型号

SKF  SNL3280GL INA  NKX30 SKF  6008/HR22Q2 TIMKEN  25584/25520D/X1S-25584 SKF  6018 LYC  6316-2RS NTN  23124CC/W33 FAG  BND3234-H-W-Y-BF-S LYC  NU 10/560 M MAC  NU1056 NSK  NF212W NSK  55BNR19XE KOYO  NU1084 KOYO  7204B KOYO  7322AC/DT

版权所有©2009-2015 轴承狗zcgou.com ICP备案:津ICP备14004550号-13