SKF22220EK+H320*轴承详细参数

发布时间:2026-05-30
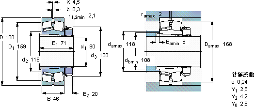
球面滚子轴承, 带紧定套的
主要数据尺寸 基本负荷额定值 疲劳负荷限值 额定速度 体积 型号
动态 静态 参照速度 限制速度 轴承 + 紧定套
d1 D B C C0 Pu
* - SKF Explorer 轴承
mm kN kN r/min kg -
901804642549049340045006,4022220 EK + H 320 *

SKF22220EK+H320*球面滚子轴承供应商

八零动力专业销售22220EK+H320*球面滚子轴承,库存SKF22220EK+H320*大量现货,与SKF合作,咨询热线:022-58519723业务咨询
SKF22220EK+H320*顺滑无声运转起来如此顺滑,这款轴承的制造工艺着实令人赞叹从制造工艺到实际性能,这款轴承都表现得十分出色,它在机器人领域的应用,展现了它的高精密性 为您的工程保驾护航,轴承的精度极高,使得设备的运行误差被控制在极小范围内,八零动力SKF球面滚子轴承品种全,价格优,质量有保证!

用户关注最多的SKF轴承型号

SKF23244CCK/W33+OH2344H* SKF4315ATN9 SKF7209BECBP SKF7305BECBP SKFC39/670KMB+OH39/670HE* SKFCR13937 SKFCR16062 SKFCR46790 SKFCR90272 SKFN221ECP* SKFNJ206ECML* SKFNJ2316ECP SKFNUP204E SKFP1.7/16TF SKFW63800-2ZR

22220EK+H320*球面滚子轴承近似的SKF轴承型号

SKF22220EK+H320* SKF22220EK+AHX320* SKF22220E* SKF22220EK* SKF22220EK+AHX320* SKF22222CCK/W33

用户关注最多的轴承狗热门型号

SKF  W6300-2Z FAG  SNV215-L + 21320-E1-K-TVPB + H320X310 + DH620X310 SKF  SAF23056KAx10 FAG  B7009-E-T-P4S FAG  N1944-K-M1-SP 国产  1219K FAG  6204-2Z RHP  NU216 FAG  2305-2RS-TVH MRC  NJ319 LYC  22230 K/C3W33 RIV  NJ308 NTN  NUP312E IKO  TA5525Z IKO  CRWM2-60

版权所有©2009-2015 轴承狗zcgou.com ICP备案:津ICP备14004550号-13