SKF22216EK+H316*轴承详细参数

发布时间:2026-05-30
球面滚子轴承, 带紧定套的
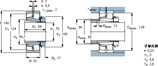
主要数据尺寸 基本负荷额定值 疲劳负荷限值 额定速度 体积 型号
动态 静态 参照速度 限制速度 轴承 + 紧定套
d1 D B C C0 Pu
* - SKF Explorer 轴承
mm kN kN r/min kg -
701403323627029430060003,0022216 EK + H 316 *

SKF22216EK+H316*球面滚子轴承供应商

八零动力专业销售22216EK+H316*球面滚子轴承,库存SKF22216EK+H316*大量现货,与SKF合作,咨询热线:022-58519723业务咨询
SKF22216EK+H316*它在农业机械中的应用,展现了它的耐用性 先进的生产工艺,打造出了这款性能卓越的轴承高精度的轴承,为设备的稳定运行提供了坚实保障它在航空航天领域的应用,展现了它的高可靠性 该轴承的性能优越,极大地提高了设备的工作效率精湛的制造工艺赋予了这款轴承卓越的性能和品质 ,八零动力SKF球面滚子轴承品种全,价格优,质量有保证!

用户关注最多的SKF轴承型号

SKF1321 SKF22324-2CS5K/VT143* SKF30228J2/DFC100 SKF619/8-2RS1 SKF6218-Z* SKFCR1175254 SKFCR16669 SKFCR19940 SKFCR390x430x18HDS2R SKFCR416000 SKFNNCF5080CV SKFNNU49/500B/SPW33X SKFOKTC345 SKFPCM323640E SKFSNL3048

22216EK+H316*球面滚子轴承近似的SKF轴承型号

SKF22216EK* SKF22216EK+H316* SKF22216E/W64* SKF22216E* SKF22216EK+AH316* SKF22216EK+AH316* SKF22216E/W64*

用户关注最多的轴承狗热门型号

GMN  71940C/DT SKF  51408 SKF  CR240x270x16HDS1R NACHI  7004C SKF  CR11730 FAG  23238-B-K-MB + AH3238G TIMKEN  78215C/78537 NACHI  SN505F FAG  SNV200-L + 1222-K-M-C3 + H222X315 + TCV522 SKF  60988MB FAG  23080-K-MB + H3080 FAG  SNV180-L + 1220-K-M-C3 + H220X310 + DH520X310 NSK  32960 NSK  N1016 IKO  CF30-1V

版权所有©2009-2015 轴承狗zcgou.com ICP备案:津ICP备14004550号-13