SKF22213EK+H313*轴承详细参数

发布时间:2026-04-12
球面滚子轴承, 带紧定套的
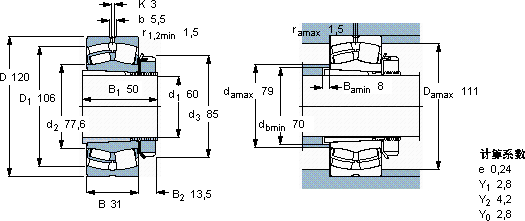
主要数据尺寸 基本负荷额定值 疲劳负荷限值 额定速度 体积 型号
动态 静态 参照速度 限制速度 轴承 + 紧定套
d1 D B C C0 Pu
* - SKF Explorer 轴承
mm kN kN r/min kg -
601203119321624500070001,9522213 EK + H 313 *

SKF22213EK+H313*球面滚子轴承供应商

八零动力专业销售22213EK+H313*球面滚子轴承,库存SKF22213EK+H313*大量现货,与SKF合作,咨询热线:022-58519723业务咨询
SKF22213EK+H313*我们的轴承卓越的性能它的抗冲击性能,让它经得起各种考验 轴承的耐用性极佳,能够承受高强度的工作负荷始终顺滑如初,轴承的选材精良,确保了其具有良好的耐磨性和抗腐蚀性稳定持久,八零动力SKF球面滚子轴承品种全,价格优,质量有保证!

用户关注最多的SKF轴承型号

SKF22210CC/W33 SKF6010-Z* SKF6307-RS1* SKF6413NR SKF7206C SKFCR400044 SKFCR80X110X12HMSA10RG SKFFSNL617TURU SKFFYRP2.1/2 SKFGEC710TXA-2RS SKFGEH30TXG3E-2LS SKFHMV72E SKFPFD40RM SKFQJ211N2MA SKFYAR204-012-2RF/HV

22213EK+H313*球面滚子轴承近似的SKF轴承型号

SKF22213EK+AH313G* SKF22213E* SKFE2.22213K SKF22213EK* SKFE2.22213 SKF22213EK+H313* SKF22213EK+AH313G* SKF22214CCK/W33

用户关注最多的轴承狗热门型号

INA  CSED180 SKF  71915AC SKF  NU210ECP KOYO  7207B DKF  7203AC SKF  SYH15/16RM FAG  NUP2314-E-TVP2 SKF  HE318E ZKL  NJ226 NTN  NF205 NTN  UK324+H2324 国产  6312 KOYO  6003-RS SKF  CR50X65X8HMS5RG IKO  CFE10-1VBR

版权所有©2009-2015 轴承狗zcgou.com ICP备案:津ICP备14004550号-13