SKF22211EK+AHX311*轴承详细参数

发布时间:2026-04-29
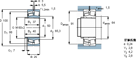
球面滚子轴承, 带退卸套的
主要数据尺寸 基本负荷额定值 疲劳负荷限值 额定速度 体积 型号
动态 静态 参照速度 限制速度 轴承 +退卸套
d1 D B C C0 Pu
* - SKF Explorer 轴承
mm kN kN r/min kg -
501002512512713,7630085000,9522211 EK + AHX 311 *

SKF22211EK+AHX311*球面滚子轴承供应商

八零动力专业销售22211EK+AHX311*球面滚子轴承,库存SKF22211EK+AHX311*大量现货,与SKF合作,咨询热线:022-58519723业务咨询
SKF22211EK+AHX311*引领转动新潮流,转动世界的精密之选,要设备更出色它在机床设备中的应用,确保了加工精度 它在电子设备中的应用,展现了它的高精密性 卓越的性能表现,让这款轴承在市场上脱颖而出,八零动力SKF球面滚子轴承品种全,价格优,质量有保证!

用户关注最多的SKF轴承型号

SKF39581/39520/Q SKF51207 SKF71921ACD/HCP4A SKFBGSB634147 SKFCR61215 SKFCR6X22X7HMSA10V SKFGEP560FS SKFLL687949/910 SKFNN3008KTN/SP SKFNU215ECJ* SKFNU2328E SKFNUP306ECM* SKFPCZ1414B SKFSYH1.3/4FM SKFSYK40TF

22211EK+AHX311*球面滚子轴承近似的SKF轴承型号

SKF22211EK+AHX311* SKF22211EK+H311* SKFE2.22211 SKF22211E* SKF22211EK* SKFE2.22211K SKF22211EK* SKF22211EK+H311*

用户关注最多的轴承狗热门型号

SKF  NJ2326ECMA RHP  NU238 TIMKEN  K70X88X30H.ZB2 NSK  230/630CAME4 NTN  NU2304E NACHI  6230ZZ ZKL  NU426 MRC  6319 LYC  NU 1044 Q1/S0 SKF  NK42/30 FAG  SNV120-L + 222S.203 + DH513X203 国产  QJF1034X1 SKF  S71918FB/P7 SKF  NKIS65 SKF  BT4-8042G/HA4

版权所有©2009-2015 轴承狗zcgou.com ICP备案:津ICP备14004550号-13